EasyManua.ls Logo

Brehon Agrisystems G. Force - Page 8

Default Icon
11 pages
Print Icon
To Next Page IconTo Next Page
To Next Page IconTo Next Page
To Previous Page IconTo Previous Page
To Previous Page IconTo Previous Page
Loading...
Rev 06131 8
Brehon Agrisystems Inc. is not responsible or liable for indirect, special, or consequential damages arising out of or in
connection with the use or performance of the product or other damage with respect to any economic loss, loss of
property, loss of revenue or profit, or costs of removal, installation, or reinstallation.
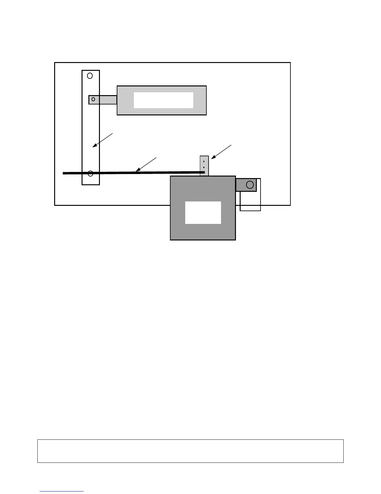
HOIST
DRIVER
Hydraulic Valve
SHAFT ARM
PUSH ROD
Valve Lever Arm
Pump & Reservoir
HOIST DRIVER INSTALLATION DRAWING