EasyManua.ls Logo

Brivis profiler - Servo Seal & Drain Valve Operation

Brivis profiler
100 pages
Print Icon
To Next Page IconTo Next Page
To Next Page IconTo Next Page
To Previous Page IconTo Previous Page
To Previous Page IconTo Previous Page
Loading...
Service Manual 32 – Contour 3 Series, Profiler & Advance – Approved Issue 5 Printed 2/13/2014 11:50:17 AM
76
Cooler Operation
(cont.)
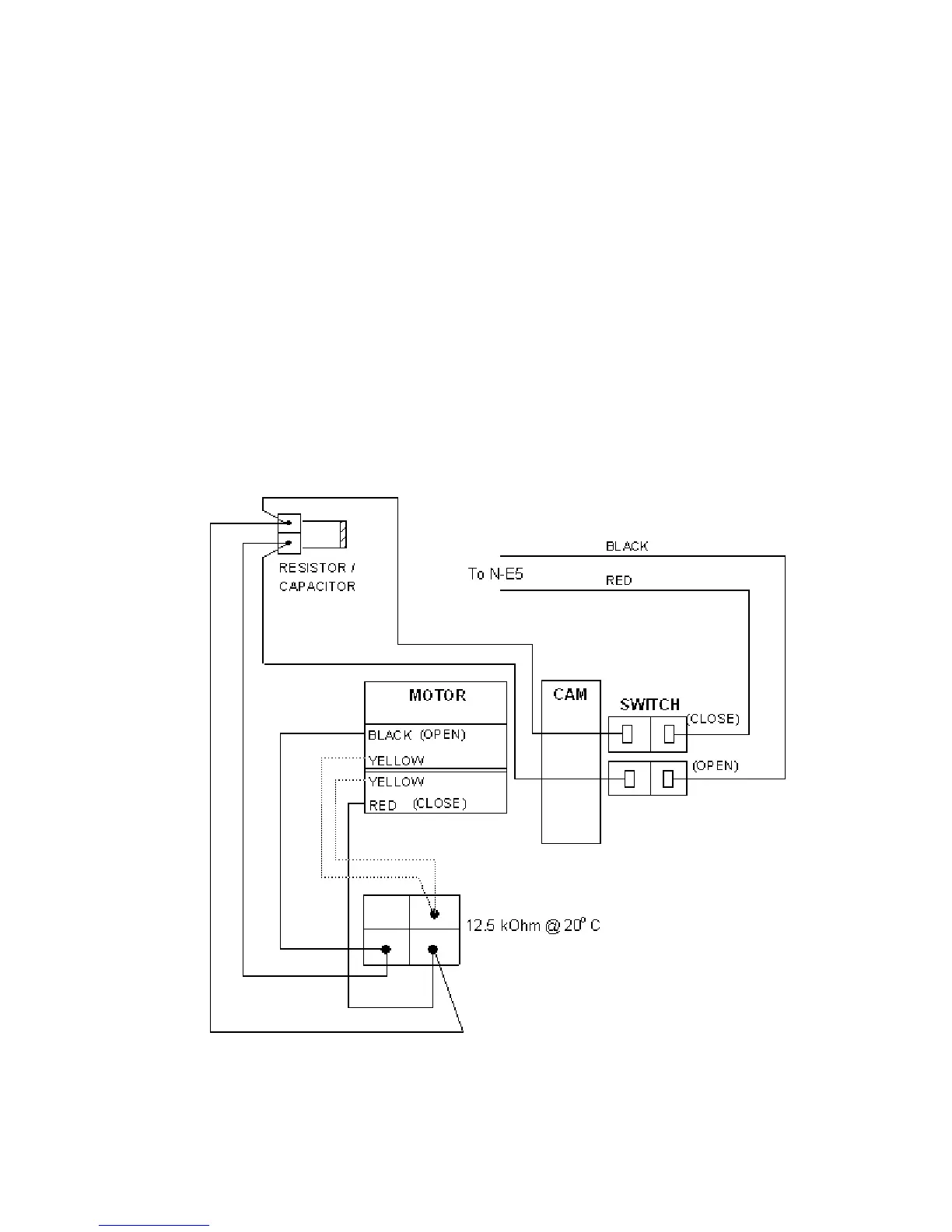
ServoSeal and Drain Valve Operation
(cont.)
ServoSeal will not close / drain open:
Check that the ServoSeal / drain valve action is not in a delay period, from a prior
Cooler operation.
i.e. 60 minute - ServoCloseDelay.
Follow check procedures as above for ServoSeal will not open / drain close, with
power test to Active Close terminal on ServoSeal motor and switch.
Circuit Diagram:

Related product manuals