EasyManua.ls Logo

Broan SOLITAIRE Series - Page 4

Broan SOLITAIRE Series
4 pages
Print Icon
To Previous Page IconTo Previous Page
To Previous Page IconTo Previous Page
Loading...
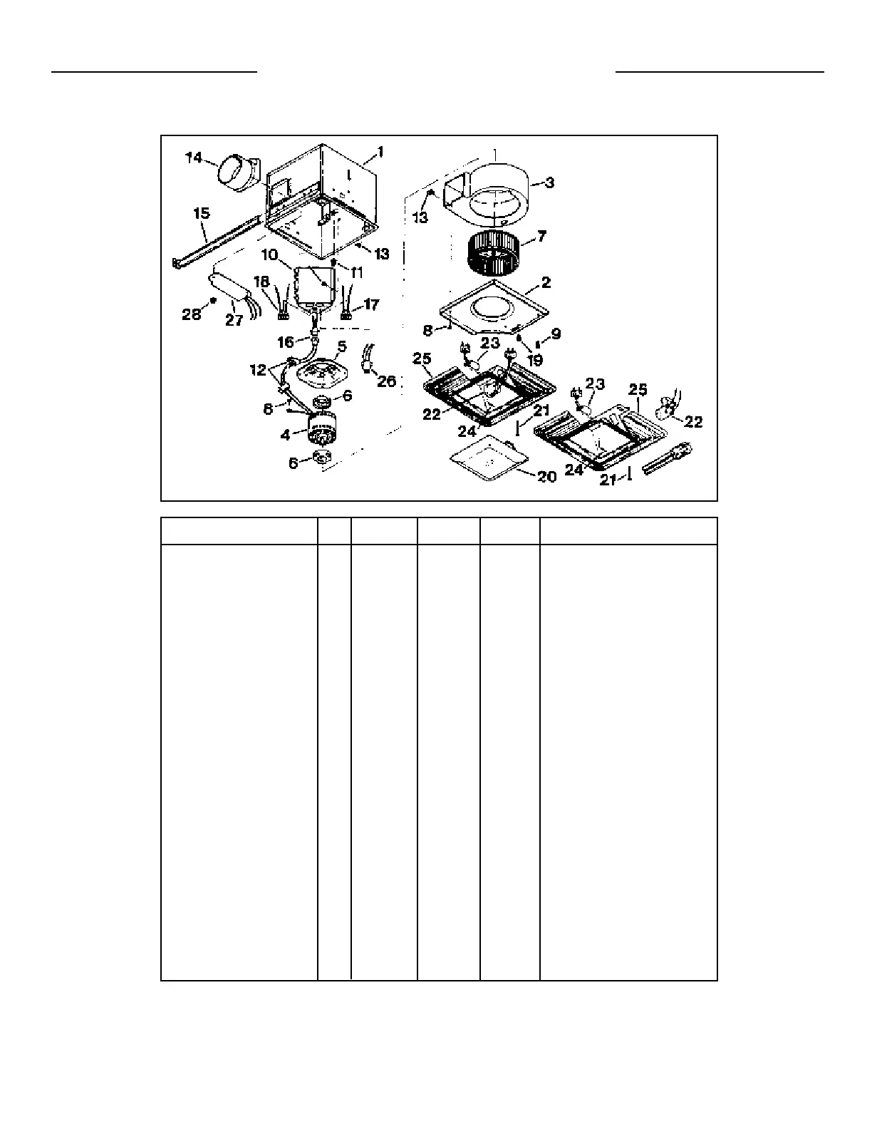
SERVICE PARTS
Models S120FL & S120L
PIEZAS DE SERVICIO
Modelos S120FL y S120L
DESCRIPTION KEY S120FL S120L NO. DESCRIPCION
NO. PART NO. PART NO. CÓDIGO DE CODIGO
Housing 1 97010724 97010724 1 Carcasa
Venturi Plate (Includes Key No. 9) 2 97014513 97014513 2 Placa Venturi (incluye código 9)
Blower 3 97011270 97011270 3 Soplador
Motor 4 99080274 99080274 4 Motor
Motor Cup 5 95000963 95000963 5 Cubierta del motor
Motor Mounting Rubber 6 99100412 99100412 6 Goma de montaje del motor
(2 Req.) (se necesitan 2)
Blower Wheel 7 99110735 99110735 7 Disco del soplador
Screw, #8-18 x .375 Black 8 99170245 99170245 8 Tornillo negro #8-18 x 0,375
(7 Req.)* (se necesitan 7)*
Screw, #8-18 x .625 Zinc 9 99150571 99150571 9 Tornillo de zinc #8-18 x 0,625
Wire Cover (Includes Key No. 29) 10 97014516 97014515 10 Cubierta de cable (incluye código 29)
Ground Clip 11 99390015 99390015 11 Clip de tierra
Wire Clip (2 Req.) 12 99420643 99420643 12 Clip de cable (se necesitan 2)
Sheet Metal Nut, #8-18 13 93260454 93260454 13 Tuerca de hoja de metal #8-18 (4
Req.) (se necesitan 4)
Damper/Duct Connector 14 97003932 97014184 14 Conector humidificador/ducto
Mounting Bracket (4 Req.) 15 98003036 98003036 15 Ménsula de montaje
(se necesitan 4)
Wire Harness 16 97009287 97009287 16 Arnés de cable
Receptacle, White 17 ———— 99270479 17 Receptáculo, blanco
Receptacle, Gray 18 99271204 99271204 18 Receptáculo, gris
Grille Nut (2 Req.) 19 99420631 99420631 19 Tuerca de la parrilla (se
necesitan 2)
Light Lens 20 99110736 99110736 20 Lente de la luz
Screw, #6-20 x 2.875 21 99150542 99150542 21 Tornillo, #6-20 x 2,875
(2 Req.)* (se necesitan 2)*
Lamp Socket 22 99770040 99770029 22 Casquillo de la lámpara
Lamp Socket (7 W) 23 99770028 99770028 23 Casquillo de la lámpara (7W)
Rivet, .125 Dia x .212* 24 99230342 99230342 24 Rivete, 0,125 de diámetro x
0,212*
Grille Assembly (Includes 25 97010732 97009887 25 Ensamble de la parrilla (Incluye
Key Nos. 23 & 24) códigos 23 y 24)
Receptacle, Square 26 97010640 ———— 26 Receptáculo, cuadrado
Ballast, 18 Watt 27 99270961 ———— 27 Reactancia, 18 watios
Nut #10-24 (2 Req.) 28 99260488 ———— 28 Tuerca #10-24
(se necesitan 2)
Screw, #8-18 x .375 Zinc 29 99150570 99150570 29 Tornillo, #8-18 x 0,375 zinc
*Standard Hardware. May be purchased locally. *Material estándar. Puede ser adquirido localmente.
Order service parts by Part No. - NOT by Key No. Encargue piezas de servicio por número de pieza - NO por número de código.
29
Broan at
::bathroomsource.com
is a division of
kitchen::
accessories
U N L I M I T E D
::
bathroomsource
.com
Call 1-800-667-8721 anywhere in the US and Canada -
www.bathroomsource.com

Other manuals for Broan SOLITAIRE Series

Related product manuals