EasyManua.ls Logo

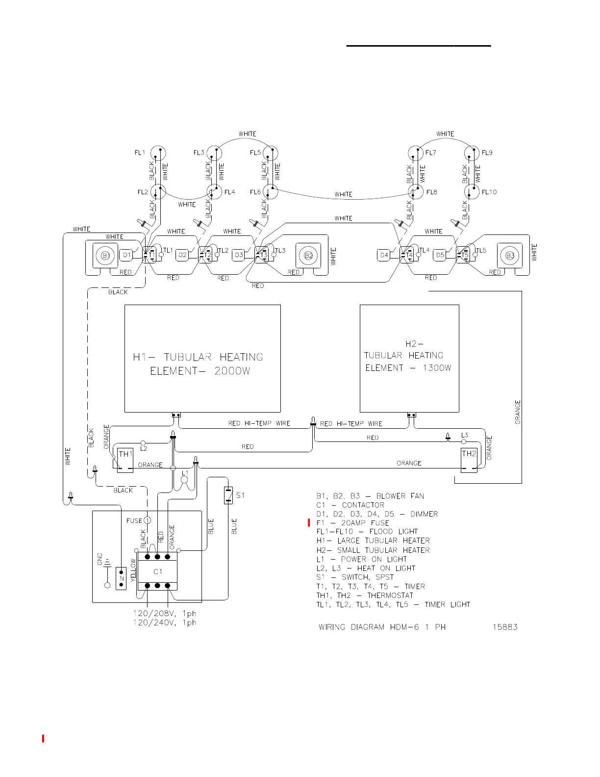
Broaster PERFECT HOLD HDM-4 - Model HDM-6 Single Phase Wiring Diagram (Effective BD6 A40)

Default Icon
31 pages
Print Icon
To Next Page IconTo Next Page
To Next Page IconTo Next Page
To Previous Page IconTo Previous Page
To Previous Page IconTo Previous Page
Loading...
1-4
Model HDM-6 Single Phase Wiring Diagram: (EFFECTIVE BD6A40)
broaster.com Manual #15376 11/01 Rev 10/20