EasyManua.ls Logo

Brother DB2-B722 - Page 15

Brother DB2-B722
91 pages
Print Icon
To Next Page IconTo Next Page
To Next Page IconTo Next Page
To Previous Page IconTo Previous Page
To Previous Page IconTo Previous Page
Loading...
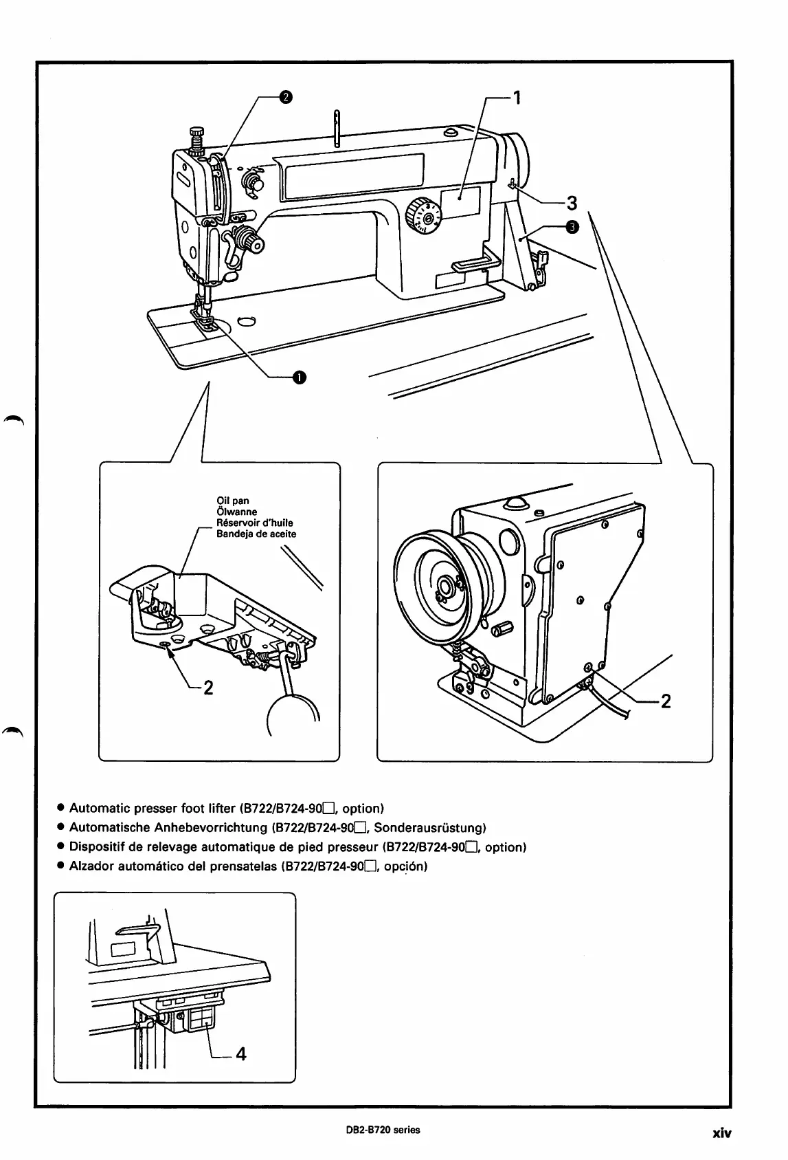
Oil
pan
Olwanne
Reservoir
d'huile
Bandeja
de
acelte
Automatic
presser
foot lifter (B722/B724-90n, option)
Automatische Anhebevorrichtung (B722/B724-90Q Sonderausrustung)
Dispositif de relevage
automatique
de
pied
presseur
(B722/B724-90Q option)
Alzador
autom^tico
del
prensatelas
(B722/B724-90n, opcidn)
DB2-B720
series
XIV

Table of Contents