EasyManua.ls Logo

Brother HL-L2375DW - Fuser Unit

Brother HL-L2375DW
248 pages
To Next Page IconTo Next Page
To Next Page IconTo Next Page
To Previous Page IconTo Previous Page
To Previous Page IconTo Previous Page
Loading...
3-31
Confidential
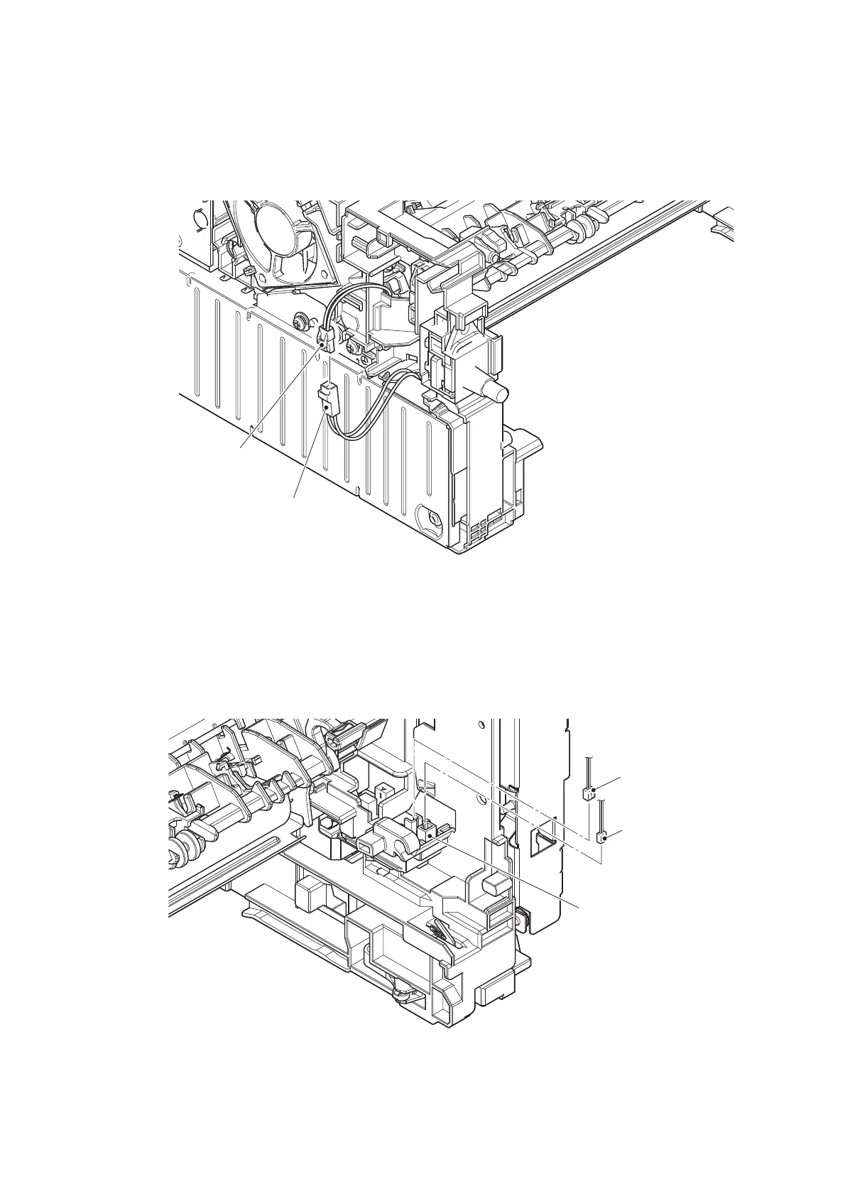
9.10 Fuser unit
(1) Release the Fuser unit heater harness from the securing fixtures, and disconnect it from
the LVPS-heater harness.
Fig. 3-23
Harness routing: Refer to “2. Rear side of the machine”.
(2) Disconnect the Center thermistor harness ASSY and the Side thermistor harness ASSY
from the Eject sensor PCB ASSY.
(3) Release the Center thermistor harness ASSY and the Side thermistor harness ASSY from
the securing fixtures.
Fig. 3-24
Harness routing: Refer to “2. Rear side of the machine”.
LVPS-heater harness
Fuser unit heater harness
<Back side>
Side thermistor
harness ASSY
Center thermistor
harness ASSY
Eject sensor PCB ASSY
<Back side>

Table of Contents

Other manuals for Brother HL-L2375DW

Related product manuals