EasyManua.ls Logo

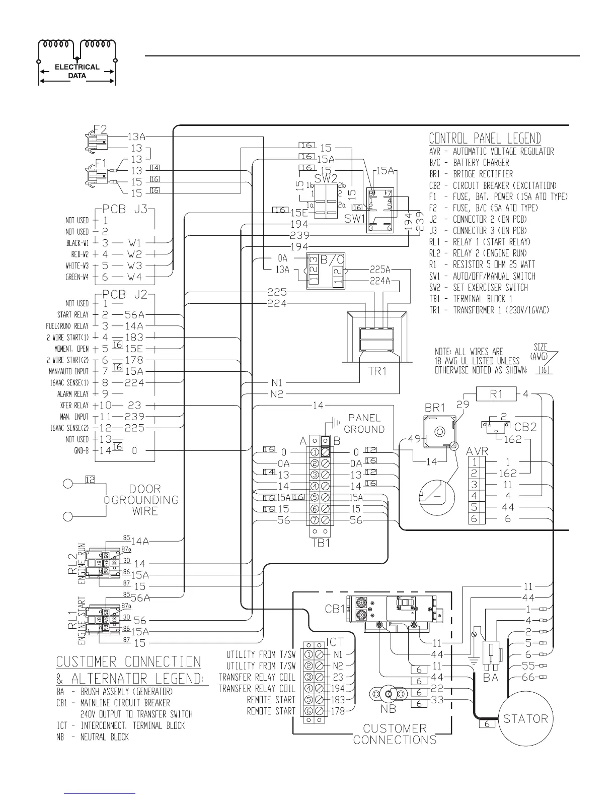
Bryant ASPAS1BBL025 - Customer Connection & Alternator Legend

Bryant ASPAS1BBL025
56 pages
Print Icon
To Next Page IconTo Next Page
To Next Page IconTo Next Page
To Previous Page IconTo Previous Page
To Previous Page IconTo Previous Page
Loading...
28 Bryant
Section 7 - Electrical Data
Bryant Liquid-cooled 25 kW Generator
Wiring Diagram — 2.5L Engine — Drawing No. 0F1411-A

Table of Contents