EasyManua.ls Logo

Bryant ASPAS1BBL025 - Page 33

Bryant ASPAS1BBL025
56 pages
Print Icon
To Next Page IconTo Next Page
To Next Page IconTo Next Page
To Previous Page IconTo Previous Page
To Previous Page IconTo Previous Page
Loading...
Bryant 31
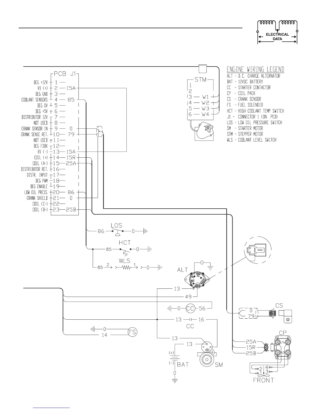
Section 7 - Electrical Data
Bryant Liquid-cooled 25 kW Generator
Electrical Schematic — 2.5L Engine — Drawing No. 0F1413-A

Table of Contents