EasyManua.ls Logo

Bryant ASPAS1BBL025 - Exploded Views and Parts; Mounting Base Exploded View

Bryant ASPAS1BBL025
56 pages
Print Icon
To Next Page IconTo Next Page
To Next Page IconTo Next Page
To Previous Page IconTo Previous Page
To Previous Page IconTo Previous Page
Loading...
34 Bryant
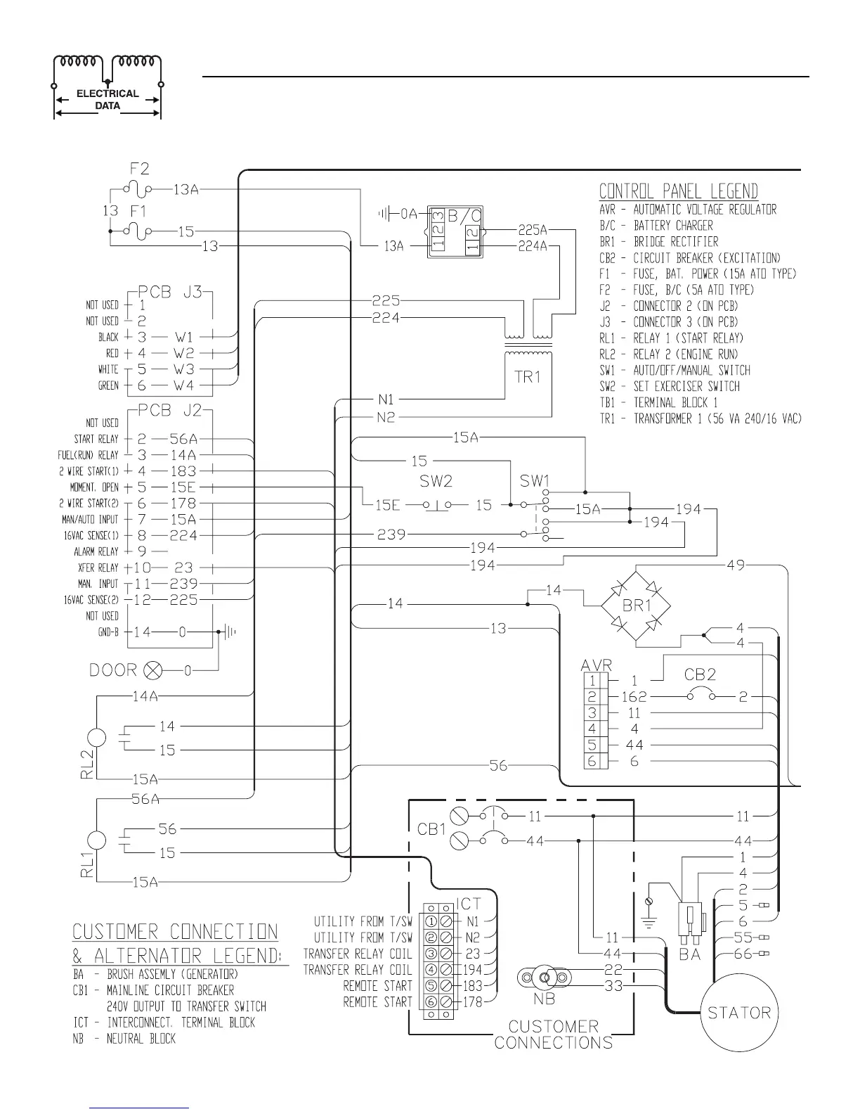
Section 7 - Electrical Data
Bryant Liquid-cooled 25 kW Generator
Electrical Schematic — 2.5L (25kW unit) — Drawing No. 0E9983-C

Table of Contents