EasyManua.ls Logo

Bryant ASPAX1BBA015 - Page 34

Bryant ASPAX1BBA015
44 pages
Print Icon
To Next Page IconTo Next Page
To Next Page IconTo Next Page
To Previous Page IconTo Previous Page
To Previous Page IconTo Previous Page
Loading...
143
47, 48, 49, 50, 51, 52, 53, 54, 56, 57, 58, 59, 60, 62, 63, 64
7, 47, 48, 49, 50, 51, 52, 53, 54, 56, 57, 58, 59, 60, 63, 64
144
53
46
48
47
49
50
51
52
40
38
41
42
28
45
44
43
29
143
39
37
26
27
3
31
24
140
32
3
35
55
33
36
20
57
19
58
59
61
60
64
62
63
65
1
2
6
3, 32, 33, 34, 35, 36, 40, 72
27, 28, 29
16A, 16B, 17, 18
4, 5, 6
8, 11, 12, 13
2, 5, 19, 20, 39, 40, 47, 64, 93, 140
16B
56
54
23
25
30
16A
34
34
21
15
16A
17
18
22
71
73
72
70
69
68
67
66
8
14
13
12
10
11
7
9
4
5
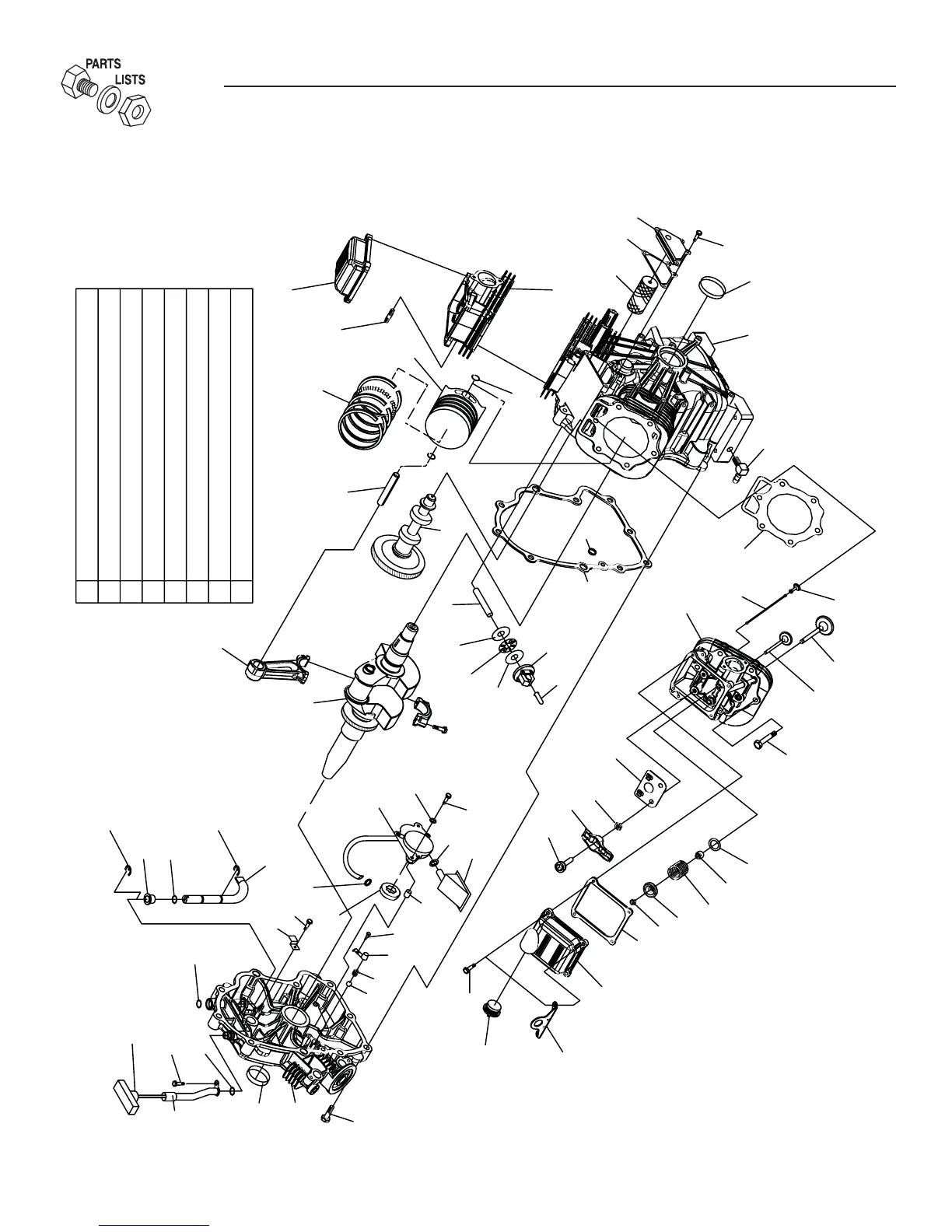
Section 8 — Exploded Views and Parts Lists
15 kW Generator
GT-990 Engine – Drawing No. 0F4715-B Part 1
32

Table of Contents