EasyManua.ls Logo

Bryant PREFERRED 607C--A Series - Page 44

Bryant PREFERRED 607C--A Series
50 pages
To Next Page IconTo Next Page
To Next Page IconTo Next Page
To Previous Page IconTo Previous Page
To Previous Page IconTo Previous Page
Loading...
44
A10199
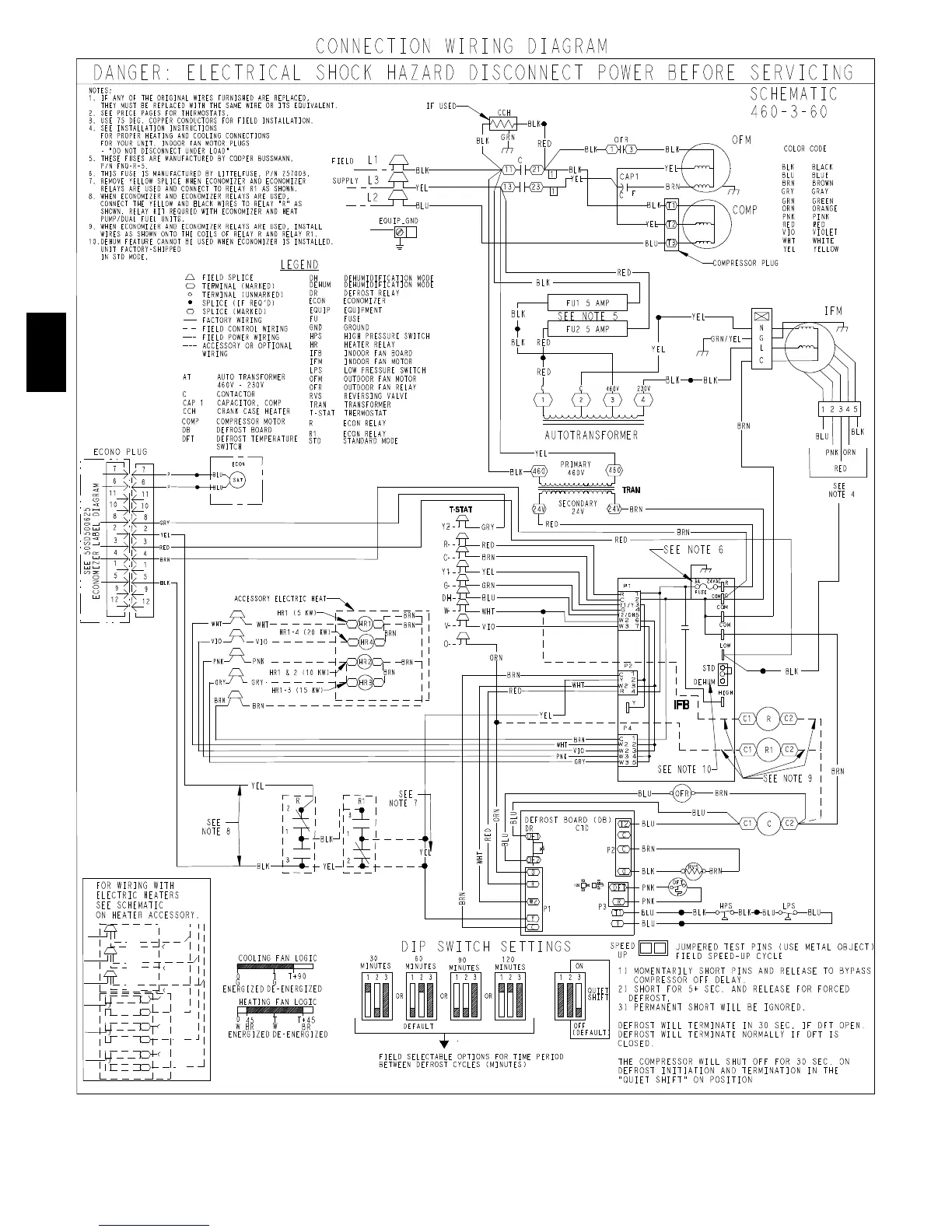
Fig. 47 -- Connection Wiring Diagram 460--3
607C-- -- A

Table of Contents

Related product manuals