EasyManua.ls Logo

Bticino 367521 - Page 15

Bticino 367521
36 pages
Print Icon
To Next Page IconTo Next Page
To Next Page IconTo Next Page
To Previous Page IconTo Previous Page
To Previous Page IconTo Previous Page
Loading...
Video Kit
15
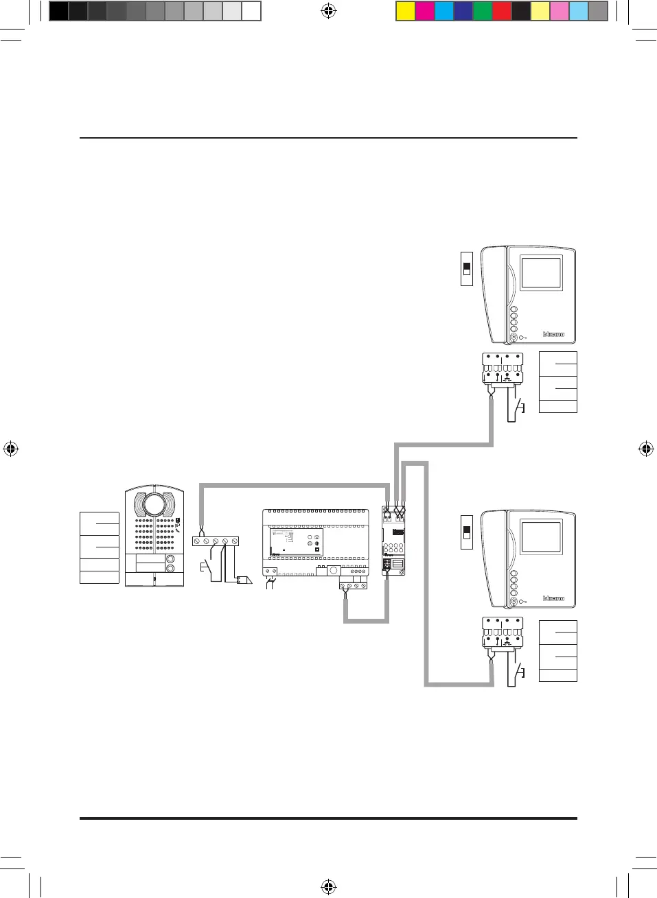
Schema base (367521) Basic diagram (367521) Schéma de base (367521)
Übersichtszeichnung (367521) Esquema básico (367521) Basis schema (367521)
Esquema de base (367521) Βασικό διάγραα (367521) Базовая схема (367521)
Standart şema (367521) Schemat podstawowy (367521)
*
Inserire il configuratore fornito a corredo
Connect the configurator supplied as standard
Mettre en place le configurateur fourni à cet effet
Den mitgelieferten Konfigurator einsetzen
Inserte el configurador suministrado
Breng de standaard geleverde configurator aan
Inserir o configurador fornecido no equipamento base
Εισάγετε τον διαορφωτή που χορηγείται στον εξοπλισό
Вставить конфигуратор, входящий в комплект поставки
Donanım dahlnde tedark edlmş konfgüratörü takın
Umieścić konfigurator będący na wyposażeniu

S+ S- = 18 V; 4 A impulsivi; 250 mA mantenimento (30 Ω max)
S+ S- = 18 V; 4 A impulsive; 250 mA holding current (30  max)
S+ S- = 18 V; 4 A impulsifs; 250 mA entretien (30 Ω max)
S+ S- = 18 V; 4 A impulsstrom; 250 mA Haltestrom (30  max)
S+ S- = 18 V; 4 A impulsivos; 250 mA mantenimiento (30 Ω max)
S+S- = 18 V; 4 A impulsief; 250 mA onderhoud (30  max)
S+ S- = 18 V; 4 A instantâneos; 250 mA continuos (30 Ω max)
S+ S- = 18 V; 4 A παλικά; 250 mA διατήρηση (30  max)
S+S- = 18В - 4A импульсный ток – 250 мА ток удержания (30 Ω макс.)
S+ S- = 18 V; 4 A empülsyonlu; 250 mA muhafaza (30  max)
S+ S- = 18 V; 4 A impuls; 250 mA podtrzymanie (maks. 30 Ω)
30250418
= -S+S
ON
OFF
ON
OFF
PS
BUS TK
BUS PI
346830
BUS
PL S+
S-
A
BUS 2 1
230 Vac
5
BUS
1
ET
2 1
3
2
1
O
5
BUS
1
ET
2 1
3
2
1
O
IP30
PRI
PRI 230 V~ 50 - 60 Hz 260 mA
346000
}
BUS
2 - 1
27V 1,2A
CEBEC
N
N
F
B
B
N
=
= *1
P
=
=
MOD =
N
=
=
P
=
=
MOD =
P
=
=
N
=
=
T =
S =
)367521(

Related product manuals