EasyManua.ls Logo

Buick TERRAZA 2006 - Removing the Spare Tire and Tools

Buick TERRAZA 2006
454 pages
Print Icon
To Next Page IconTo Next Page
To Next Page IconTo Next Page
To Previous Page IconTo Previous Page
To Previous Page IconTo Previous Page
Loading...
Removing the Spare Tire and Tools
The tools you will need are located in the storage
compartment at the rear of the vehicle, on the
passenger’s side.
To remove the tools, do the following:
1. Open the liftgate. See Liftgate on page 2-24 for
more information.
2. Remove the convenience net, if equipped.
3. Open the jack storage compartment by lifting the
tab and pulling the cover off.
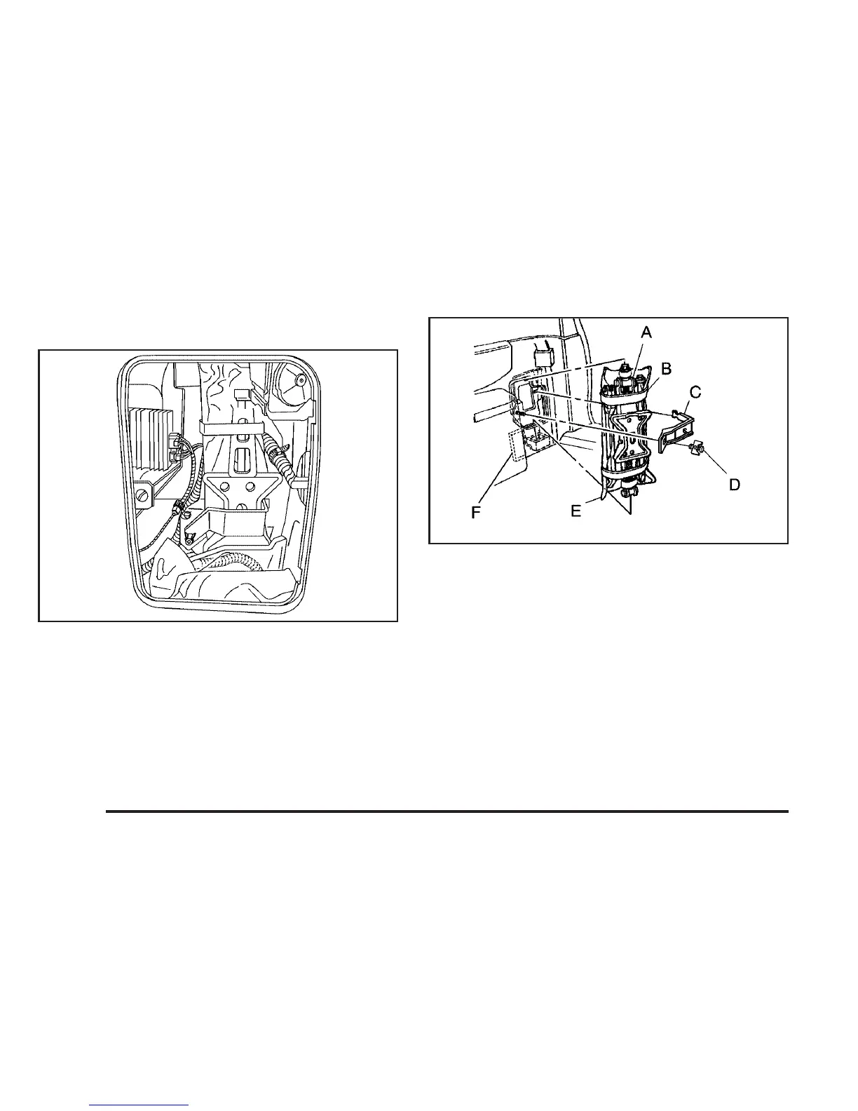
A. Jack
B. Strap
C. Bracket
D. Wing Nut
E. Bag and Tools
F. Tire Bag and Cable
Storage for
All-Wheel-Drive
Vehicles
4. Remove the jack (A) and jacking tools (E) by
loosening and then removing the wing nut (D)
and bracket (C).
5. Separate the plastic pouch from the jack and
remove the jacking tools, including the folding
wrench and extension, from the pouch.
5-72

Table of Contents

Related product manuals