EasyManua.ls Logo

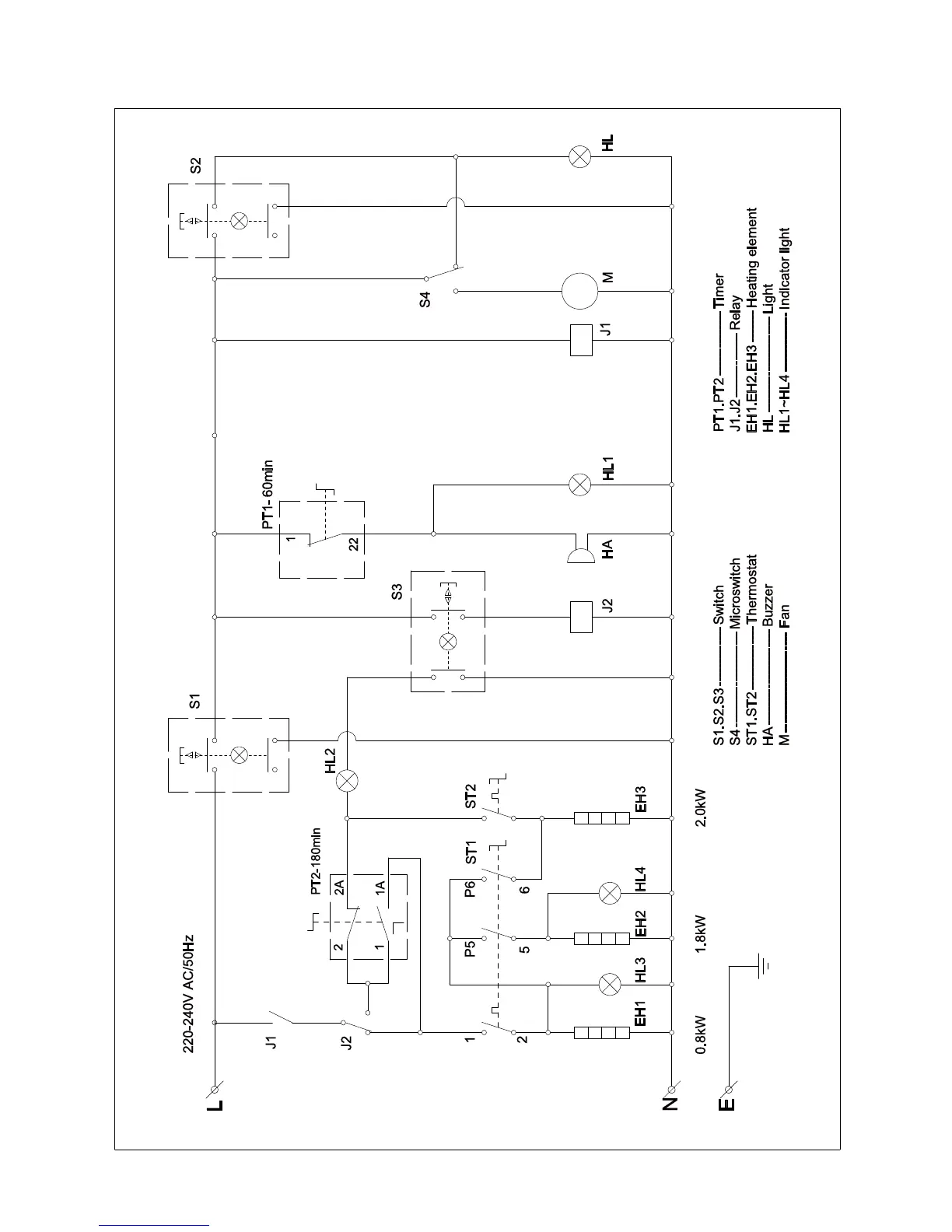
Burco CTCO01 - Wiring Schematic

Burco CTCO01
12 pages
Print Icon
To Next Page IconTo Next Page
To Next Page IconTo Next Page
To Previous Page IconTo Previous Page
To Previous Page IconTo Previous Page
Loading...
WIRING SCHEMATIC