EasyManua.ls Logo

CAC / BDP KSACN0101CAC - Controller Indicator Names and Functions; Operation Mode Indication; Timer ON;OFF Function; Follow Me Function

CAC / BDP KSACN0101CAC
6 pages
Print Icon
To Next Page IconTo Next Page
To Next Page IconTo Next Page
To Previous Page IconTo Previous Page
To Previous Page IconTo Previous Page
Loading...
2
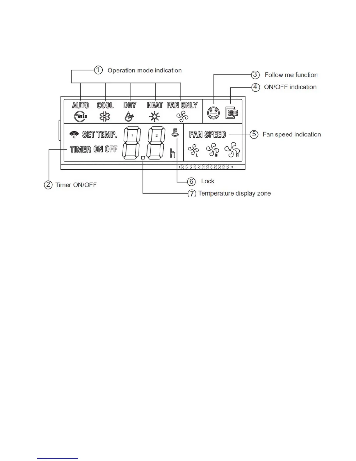
CONTROLLER INDICATOR NAMES AND FUNCTIONS
1. OPERATION MODE INDICATION
Press the MODE button to select the following modes: AUTO,
COOL, DRY, HEAT, FAN ONLY, and AUTO. The HEAT mode
does not exist on the cooling only model.
2.TIMER
Adjust the ON time or ONLY ON time setting and the ON
indicator displays. Adjust the OFF time or the ONLY OFF time
and the OFF indicator displays. If the ON and OFF timer are both
set, both the ON and OFF indicators display.
3. FOLLOW ME
After the temperature is set, the temperature sensor inside the wire
controller compares the two temperatures. The air temperature
around the wire controller determines the units temperature
setting. This function is available in the COOLING, HEATING,
and AUTO modes.
4. ON/OFF INDICATOR
The icon displays when the indicator is on.
5. FAN SPEED INDICATOR
There are four fan modes: low, middle, high, and auto.
NOTE: Some models do not have the middle fan option.
6. LOCK
Press the “LOCK button to disable the other buttons. Press again
to enable the other buttons.
7. TEMPERATURE DISPLAY ZONE
The zone displays the set temperature. Press the
YBtemperature
buttons to adjust the setting. In the fan mode, the temperature
button does not appear.

Other manuals for CAC / BDP KSACN0101CAC