EasyManua.ls Logo

Candy MIC 202 EX - Page 2

Candy MIC 202 EX
2 pages
Print Icon
To Previous Page IconTo Previous Page
To Previous Page IconTo Previous Page
Loading...
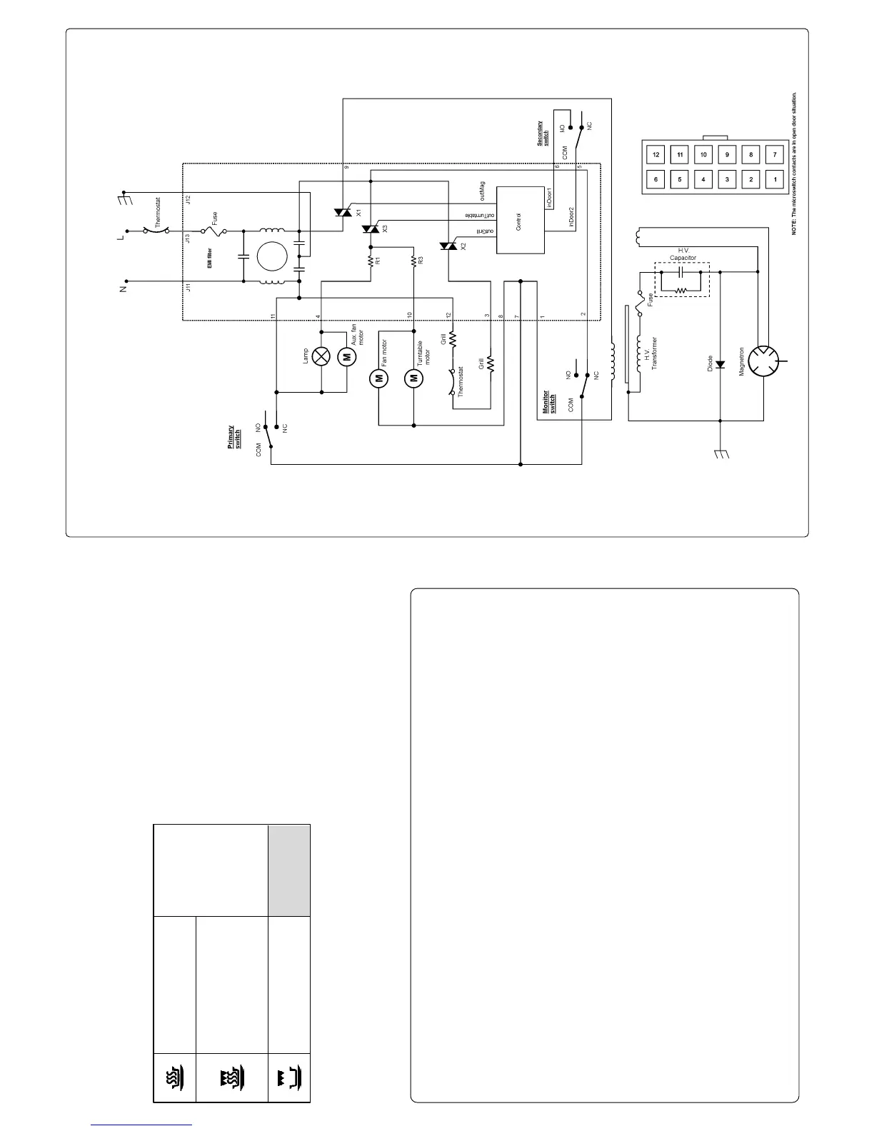
Electrical Diagram
Niveles de potencia. Einstellung der leistung. Power Levels.
Niveaux de puissance. Níveis de potência
V
ermogensstanden. Livelli di Potenza. Επίπεδα Ισχύος.
Especificaciones. Leistungsbesschreibung. Specifications. Spécifications. Especificações.
Specificaties. Specifiche. Προδιαγραφές.
Microondas. Mikrowelle.
Microwave. Micro-ondes.
Microonde. Μικροκύµµατα.
Grill + Microondas.
Grilleistung + Mikrowelle.
Grill + Microwave.
Gril + Micro-ondes.
Grill + Microonde.
Γκριλ + Μικροκύµµατα.
P 01 -------- 130W
P 02 ------- 240W
P 03 ------- 440W
P 04 ------- 640W
P 05 ------- 800W
Grill. Grilleistung .
Gril. Grelhador Γκριλ.
Tension CA. Wechselspannung. AC Line Voltage. Tension CA. Tensão AC. Spanning CA.
Tensione CA. Τάση CA. -------------------------------------------------------------------------------------------------------------------------------------- 220-230 V / 50 H
z
Fusible. Sicherung. Fuse. Fusible. Fusível. Zekering. Fusible. Ασφάλεια. --------------------------------------------------------------- 12 A / 250
V
Potencia requerida. Aufgenommen Leistung. Power required. Puissance requise. Potência requerida.
Vereist vermogencia. Potenza richiesta. Απαιτούµενη ισχύς. ------------------------------------------------------------------------------------------- 2200
W
Potencia del grill. Grilleistung. Grill power. Puissance du gril. Potência do grelhador
Vermogen van de grill. Potenza del grill. Ισχύς γκριλ. -------------------------------------------------------------------------------------------------------- 1050
W
Potencia de salida microondas. Mikrowellenausgangsleistung. Microwave output power.
Puissance de sortie micro-ondes. Potência de saída microondas. Uitgangsvermogen magnetron.
Potenza de uscita microonde. Ισχύς εξόδου µικροκυµµάτων. -------------------------------------------------------------------------------------------- 800
W
Frecuencia de microondas. Mikrowellenfrequenz. Microwave frequency.
Frequence de micro-ondes. Frequência de microondas. Frequentie van de microgolf.
Frequenza di microonde.
Συχνότης µικροκυµµάτων. --------------------------------------------------------------------------------------------------- 2450 MH
z
Dimensiones exteriores (An×Al×F). Außenabmessungen (B×H×T). External dimensions (W×H×D).
Dimensions exterieures (L×H×P). Dimensões exteriores (L×A×P).Buitenafmetingen (BxHxL).
Dimensioni esterne (Larg.xLung.xPr.). Εξωτερικό µέγεθος (Πλ x Υψ x Β). ------------------------------------------------ 595 × 390 × 320 m
m
Dimensiones de la cavidad (An×Al×F). Innenabmessungen (B×H×T).
Cavity dimensions (W×H×D). Dimensions de la cavité (L×H×P). Dimensões da cavidade (L×A×P).
Afmetingen van de uitsparing (BxHxL). Dimensioni della cavità (Larg.xLung.xPr).
Mέγεθος χώρου (Πλ x Υψ x Β) ---------------------------------------------------------------------------------------------------------------------- 305 × 210 × 280 m
m
Capacidad del horno. Fassungsvermögen. Oven capacity. Capacité du four. Capacidade do forno.
Capaciteit van de oven. Capacità del forno. Χωρητικότητα του φούρνου. ----------------------------------------------------------------------------- 18 l
Peso. Gewitct. Weight. Poids. Peso. Gewicht. Peso. Βάρος. ------------------------------------------------------------------------------------------------ 21 k
g

Related product manuals