EasyManua.ls Logo

Canon FC220 - Page 211

Canon FC220
306 pages
Print Icon
To Next Page IconTo Next Page
To Next Page IconTo Next Page
To Previous Page IconTo Previous Page
To Previous Page IconTo Previous Page
Loading...
506
22
509
31
18
27
35
45
47
46
17
37
3
48
14
44
5
34
501
9
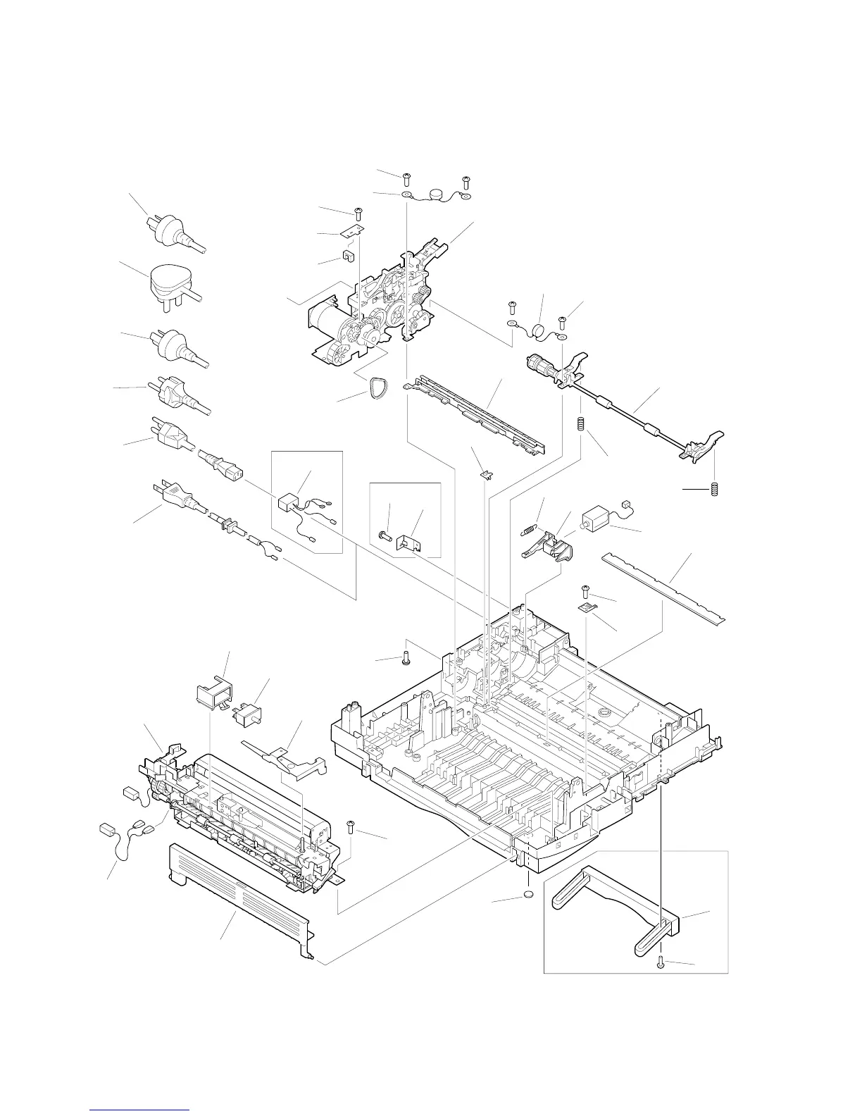
115/120/220/240V
SEE FIGURE 240
(Q901)
(240V RTM)
(240V UTS)
(220V PTR,UTR,PTT)
(115/120V)
(100V)
(SW2)
(J909)
(J908)
SEE FIGURE 810
(J901)
(SL1)
SEE FIGURE 320
SEE FIGURE 370
FC220,PC420
(220V PTS)
100V
(J904)
502
12
504
15
11
25
507
508
31A
24
23
39
A
20
20
19
38
FIGURE 102
LOWER MAIN BODY (FC220,PC420,PC430)(1/2)
COPYRIGHT © 1998 CANON INC. CANON FC220/PC420/430/FC200/PC400 REV.0 JAN. 1998 PRINTED IN JAPAN [IMPRIME AU JAPON]
102-1

Table of Contents

Other manuals for Canon FC220

Related product manuals