EasyManua.ls Logo

Carrier 48DK054 - Page 31

Carrier 48DK054
32 pages
To Next Page IconTo Next Page
To Next Page IconTo Next Page
To Previous Page IconTo Previous Page
To Previous Page IconTo Previous Page
Loading...
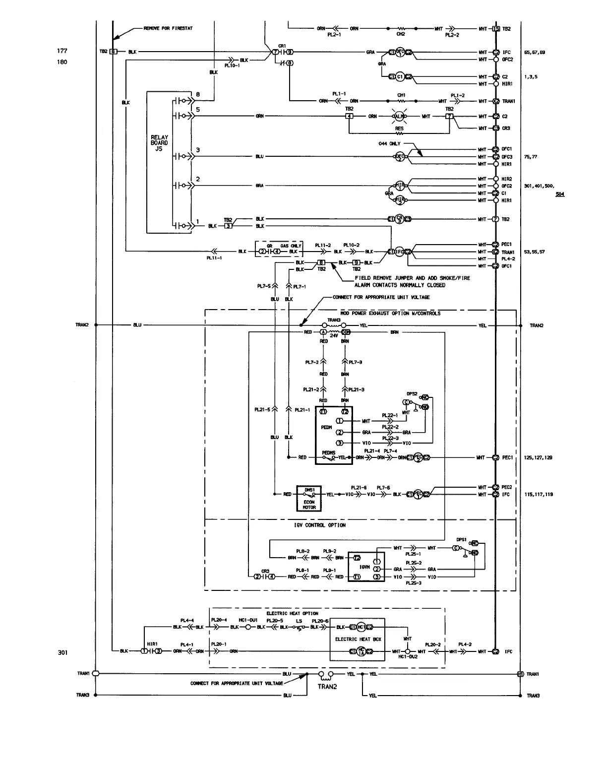
Fig. 36 Typical Control Wiring; 034,044 Units Shown (cont)
31

Table of Contents

Related product manuals