EasyManua.ls Logo

Carrier 48K - Wiring Diagrams

Carrier 48K
113 pages
Print Icon
To Next Page IconTo Next Page
To Next Page IconTo Next Page
To Previous Page IconTo Previous Page
To Previous Page IconTo Previous Page
Loading...
91
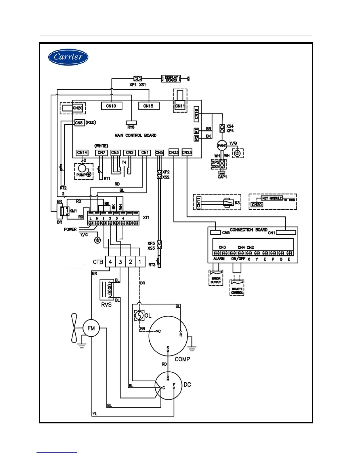
16. Wiring Diagrams
Wiring Diagram
53QDMT12-718 Heat Pump 220-240/1/50
53QDMT18-718 Heat Pump 220-240/1/50
TO WIRED CONTROLLER

Table of Contents

Related product manuals