EasyManua.ls Logo

Carrier Performance 48VG-E - Page 27

Carrier Performance 48VG-E
74 pages
Print Icon
To Next Page IconTo Next Page
To Next Page IconTo Next Page
To Previous Page IconTo Previous Page
To Previous Page IconTo Previous Page
Loading...
27
A13027
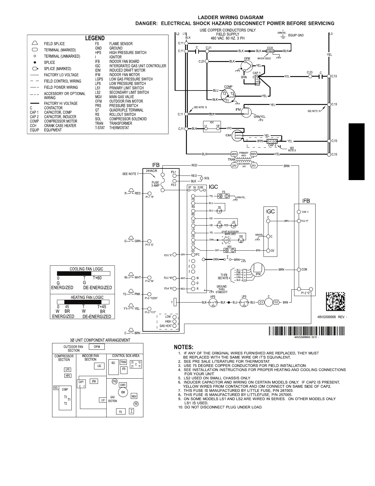
Fig. 20 Cont.-- 460 --3--60 Ladder Wiring Diagram
48VG

Related product manuals