EasyManua.ls Logo

Case IH 3320 - Ultraglide Hydraulic Schematic

Case IH 3320
48 pages
Print Icon
To Next Page IconTo Next Page
To Next Page IconTo Next Page
To Previous Page IconTo Previous Page
To Previous Page IconTo Previous Page
Loading...
P/N 016-0230-129 Rev. A 23
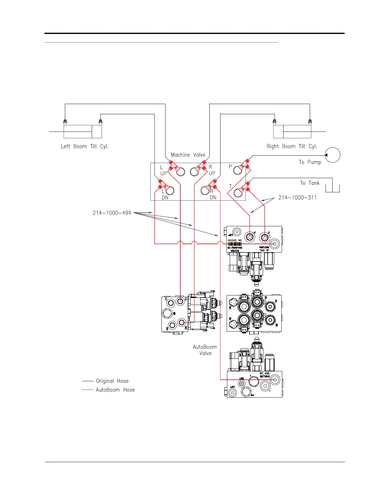
HYDRAULIC SYSTEM INSTALLATION
ULTRAGLIDE HYDRAULIC SCHEMATIC

Related product manuals