EasyManua.ls Logo

Case IH 4420 - UltraGlide Hydraulic Schematic Diagram

Case IH 4420
48 pages
Print Icon
To Next Page IconTo Next Page
To Next Page IconTo Next Page
To Previous Page IconTo Previous Page
To Previous Page IconTo Previous Page
Loading...
P/N 016-0230-129 Rev. A 23
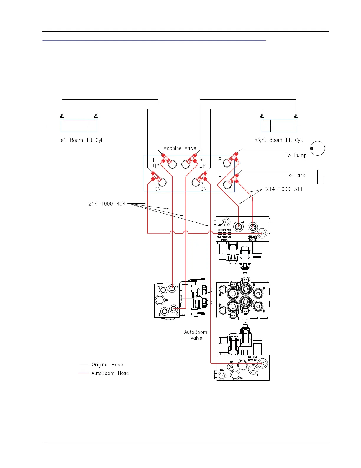
HYDRAULIC SYSTEM INSTALLATION
ULTRAGLIDE HYDRAULIC SCHEMATIC

Related product manuals