EasyManua.ls Logo

Case 680 CK - Page 30

Case 680 CK
41 pages
Print Icon
To Next Page IconTo Next Page
To Next Page IconTo Next Page
To Previous Page IconTo Previous Page
To Previous Page IconTo Previous Page
Loading...
INSET A
ARM ASS EM BL V
ROCKER
30 INCH
10 TO .O 6
LEARANCE
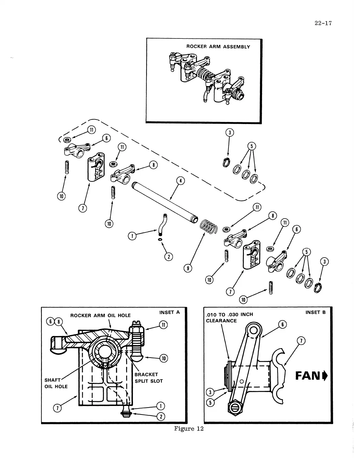
Figure 12
22-17
INSET B
7
FANt

Related product manuals