EasyManua.ls Logo

Case 721C - Page 39

Case 721C
41 pages
Print Icon
To Next Page IconTo Next Page
To Next Page IconTo Next Page
To Previous Page IconTo Previous Page
To Previous Page IconTo Previous Page
Loading...
2000-5
GS98K004
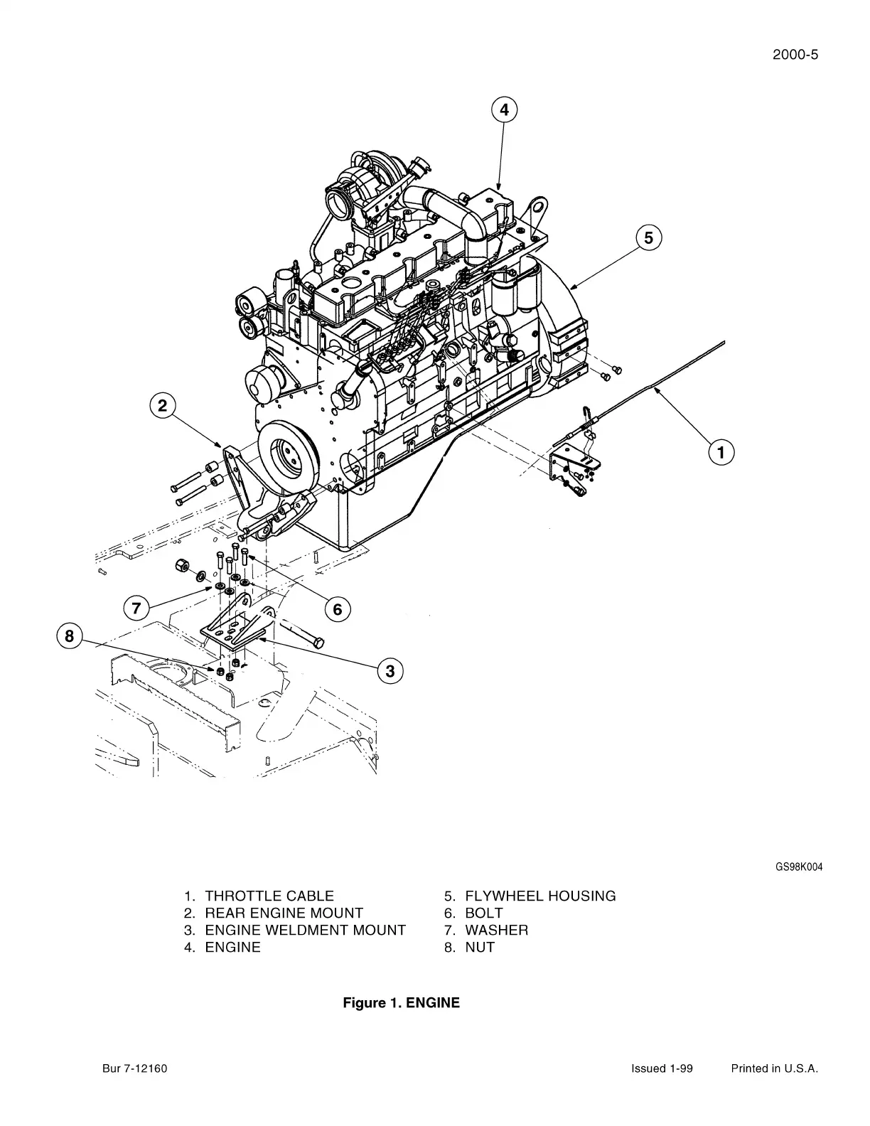
1. THROTTLE CABLE 5. FLYWHEEL HOUSING
2. REAR ENGINE MOUNT 6. BOLT
3. ENGINE WELDMENT MOUNT 7. WASHER
4. ENGINE 8. NUT
Figure 1. ENGINE
Bur 7-12160 Issued 1-99 Printed in U.S.A.

Related product manuals