EasyManua.ls Logo

Castex FS-2000 - Page 35

Castex FS-2000
59 pages
Print Icon
To Next Page IconTo Next Page
To Next Page IconTo Next Page
To Previous Page IconTo Previous Page
To Previous Page IconTo Previous Page
Loading...
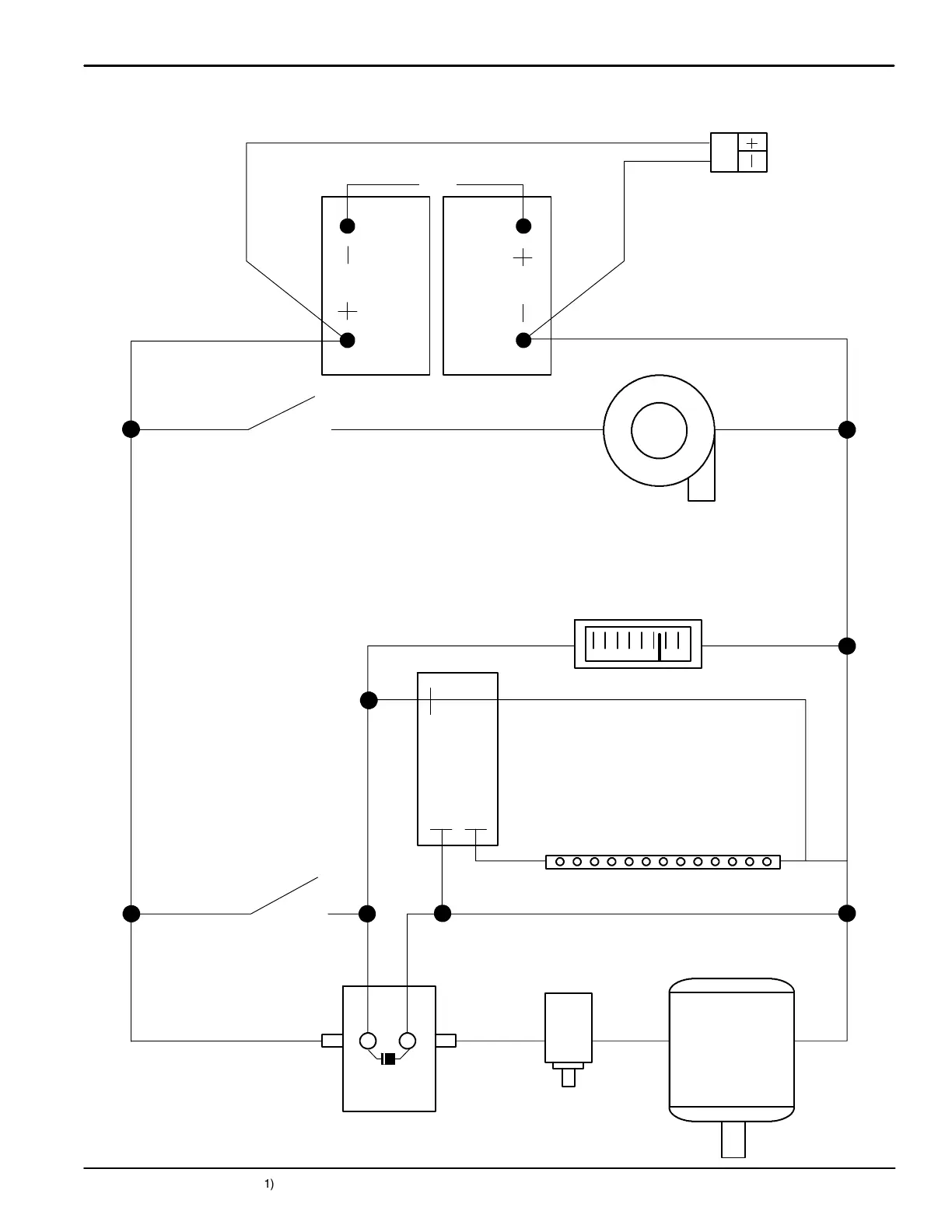
ELECTRICAL DIAGRAMS
DIAGRAMAS ELECTRICAS
35
FS-2000 Battery Scrubber (11--01)
12V BATTERY
12V BATTERY
CHARGER
PLUG
SAFETY LIGHTS
BRUSH
SWITCH
24V A.C.
FLASHER
VACUUM
SWITCH
VACUUM
MOTOR
BATTERY METER
BRUSH
MOTOR
35 AMP
BREAKER
SWITCH
SOLENOID
1
2
3
RED
24V LADDER
DIAGRAM
Home
Find...
Go To..

Table of Contents

Related product manuals