EasyManua.ls Logo

Castolin Eutectic POWERmax2 - Page 11

Default Icon
16 pages
Print Icon
To Next Page IconTo Next Page
To Next Page IconTo Next Page
To Previous Page IconTo Previous Page
To Previous Page IconTo Previous Page
Loading...
19
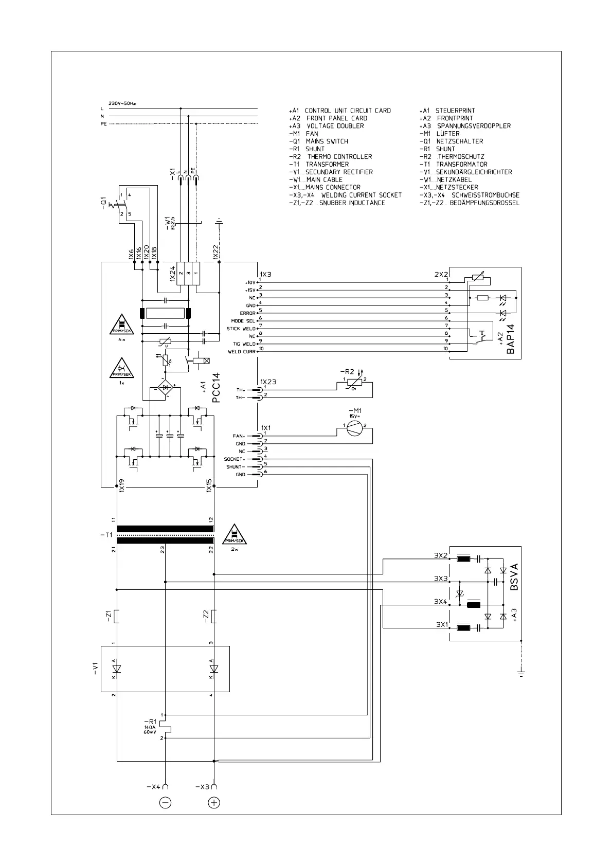
Schaltplan/Circuit diagram/Schéma électrique POWERmax
2
GÜLTIG AB / APPLICABLE FROM / APPLICABLE A PARTIR DE: 09083001

Related product manuals