EasyManua.ls Logo

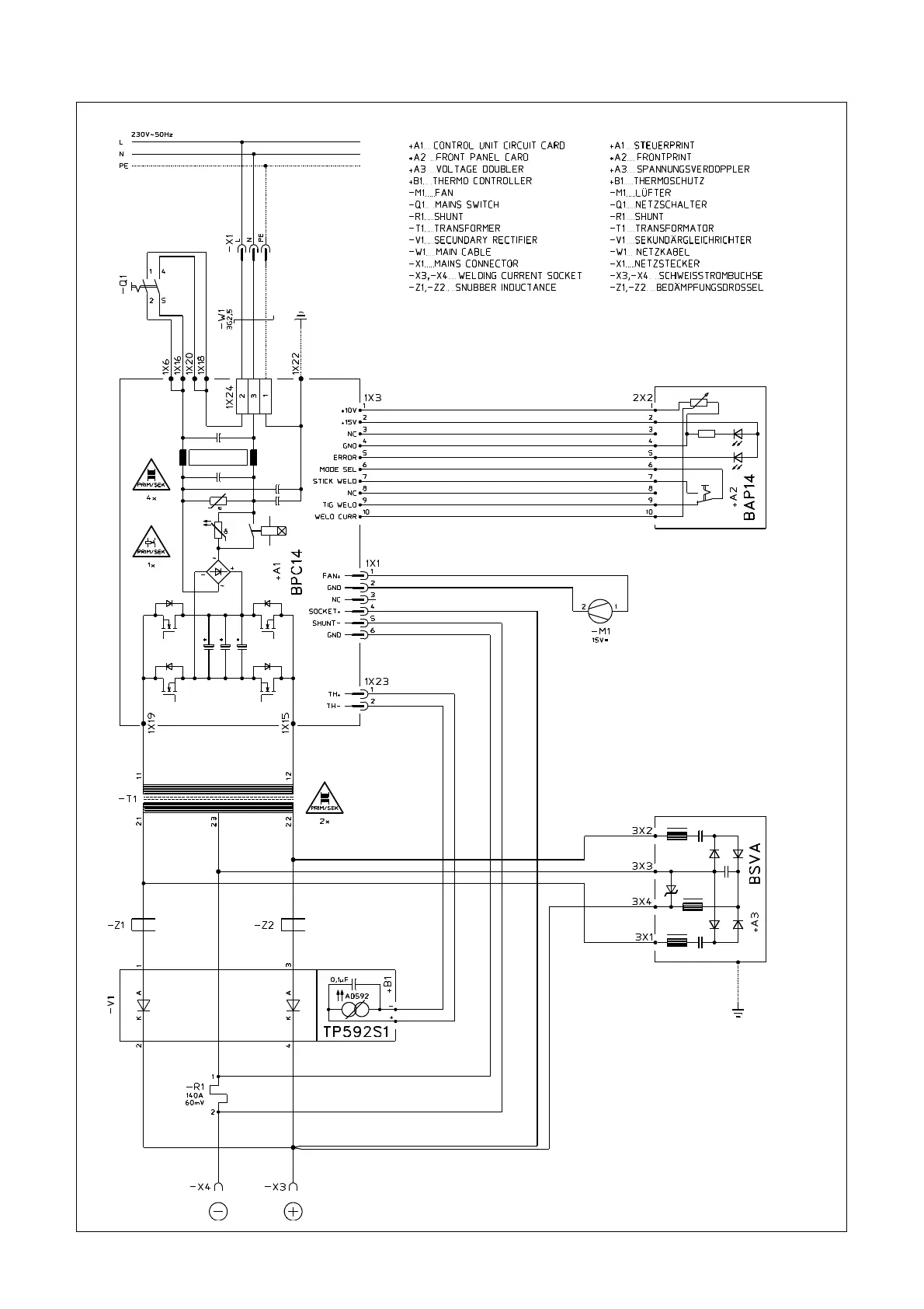
Castolin Eutectic POWERmax2 - Circuit Diagram and Component List; POWERmax2 Circuit Diagram; Component Identification

Default Icon
16 pages
Print Icon
To Next Page IconTo Next Page
To Next Page IconTo Next Page
To Previous Page IconTo Previous Page
To Previous Page IconTo Previous Page
Loading...
15
Schaltplan/Circuit diagram/Schéma électrique POWERmax
2

Related product manuals