EasyManua.ls Logo

Cata CTR-30-M - Page 48

Cata CTR-30-M
Print Icon
To Next Page IconTo Next Page
To Next Page IconTo Next Page
To Previous Page IconTo Previous Page
To Previous Page IconTo Previous Page
Loading...
NOTE
Assurez-vous d'utiliser les accessoires fournis par notre société pour installer le
chauffe-eau électrique. Ce chauffe-eau électrique ne peut pas être accroché sur le
support jusqu'à ce qu'il ait été approuvé pour être solide et fiable. Dans le cas contraire,
le chauffe-eau électrique peut tomber du mur, endommageant l’appareil, engendrant
même des accidents graves de blessure. En déterminant l'emplacement des trous de
boulons, il faut veiller à ce qu'il y ait un espace d’au moins 0,2 m sur le côté droit du
radiateur électrique, pour faciliter l'entretien de l'appareil, si nécessaire.
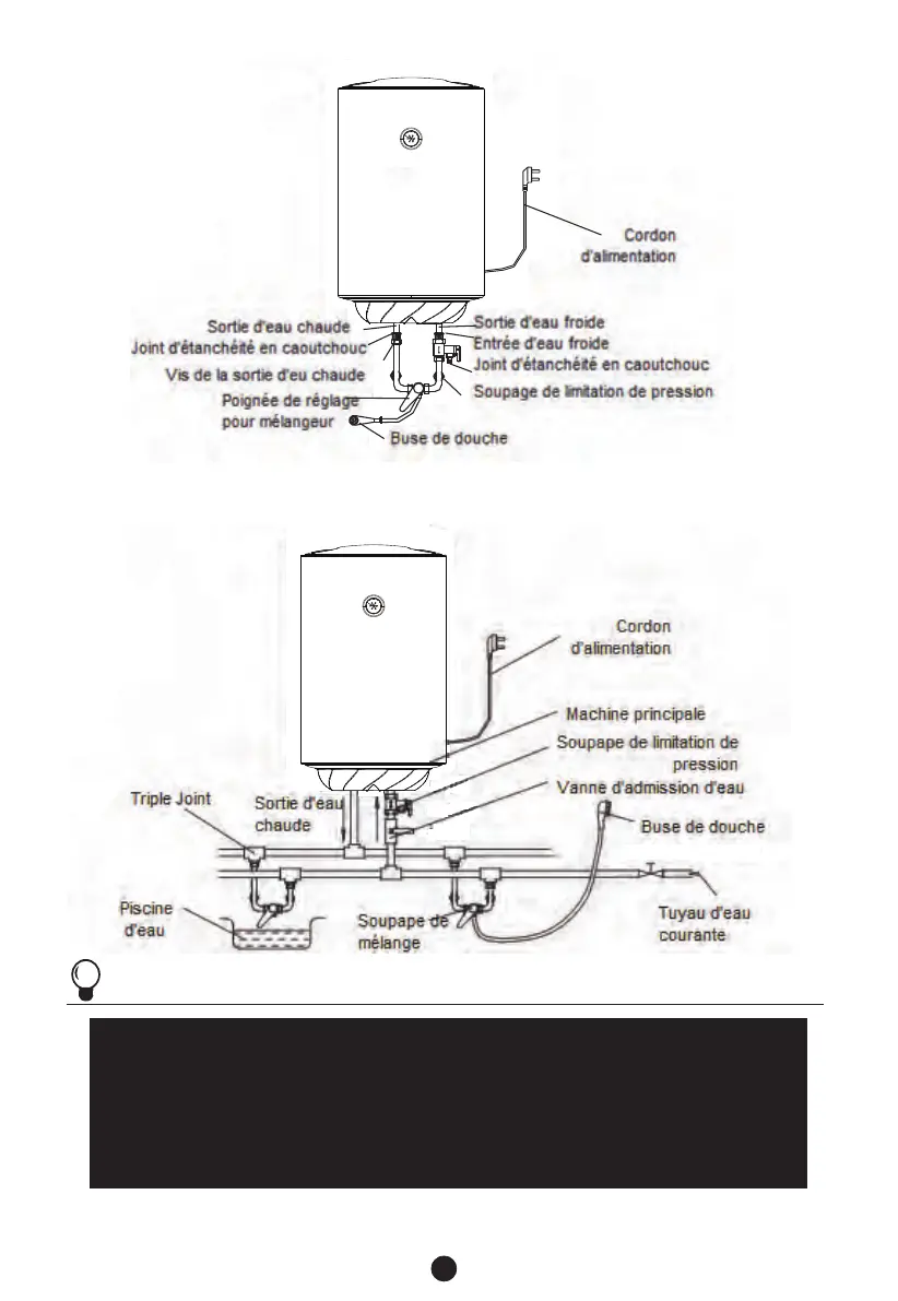
Pour réaliser un système d'alimentation multivoies, reportez-vous à la méthode indiquée à la
fig.5.
6
(Fig.4)
Vanne d'admission d'eau
(Fig.5)
Entrée
d'eau
froide