EasyManua.ls Logo

Catch Power SOLAR RELAY - INSTALLATION - Circuit Diagram

Default Icon
24 pages
Print Icon
To Next Page IconTo Next Page
To Next Page IconTo Next Page
To Previous Page IconTo Previous Page
To Previous Page IconTo Previous Page
Loading...
CATCH Power SOLAR RELAY Installation Manual - Page 6
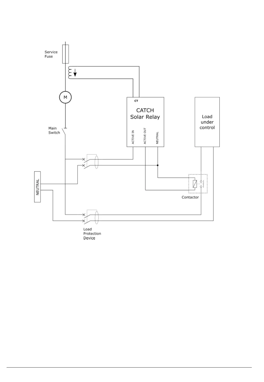
INSTALLATION Circuit Diagram
Cable Sizes:
Maximum wire size for the Solar Relay is 2.5mm
2
.
Contactor:
Contactor selection should be made based on load requirements. The solar relay
requires the coil voltage to be 240VAC, with a maximum coil current of 4A.
Current Transformer:
If the export control feature of CATCH Solar Relay is required then the CT must be
installed. The CT can be positioned anywhere in the installation that sees all loads
and solar.
Type AC
10A RCDBO