EasyManua.ls Logo

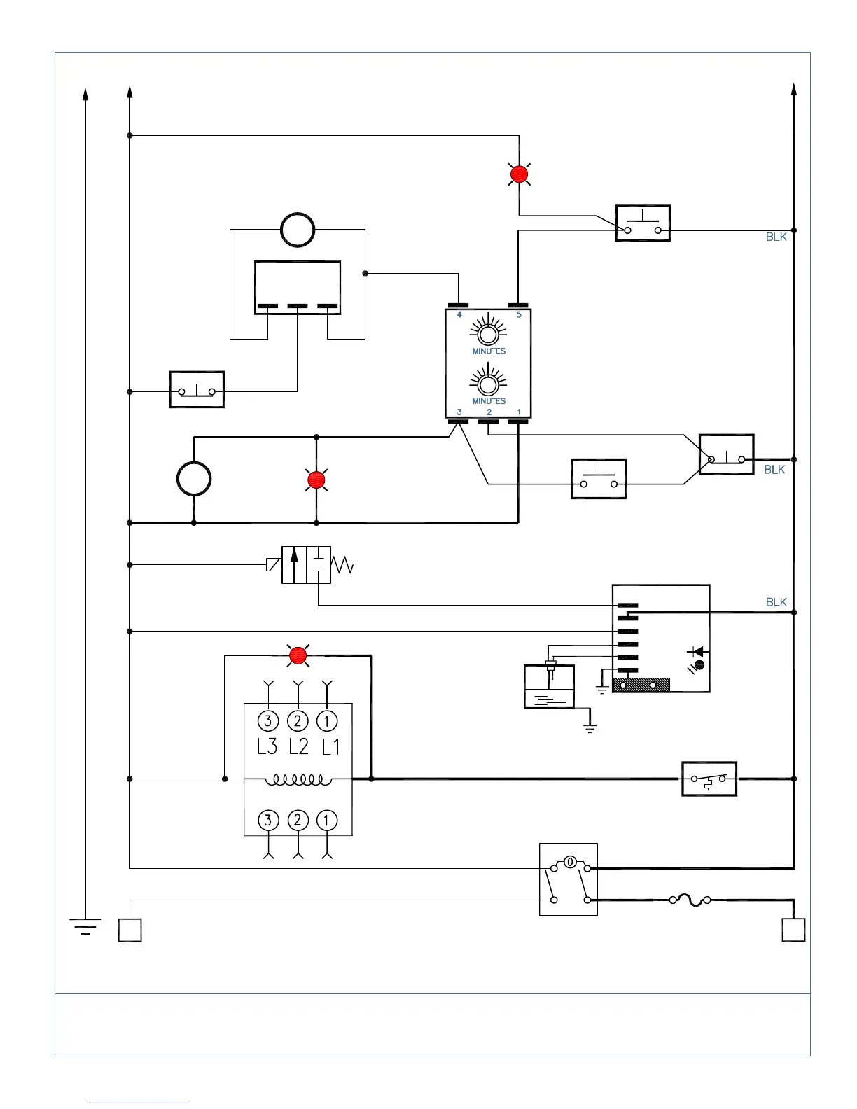
Cecilware CL200-N - FE-N SERIES WIRING DIAGRAM (DUAL TIMER)

Cecilware CL200-N
19 pages
Print Icon
To Next Page IconTo Next Page
To Next Page IconTo Next Page
To Previous Page IconTo Previous Page
To Previous Page IconTo Previous Page
Loading...
WATER
INLET
VALVE
WATER LEVEL CONTROL
FUSE
FE-N SERIES WIRING DIAGRAM
(N FOR 120V)
L2
GND
NE249
SH 2 OF 3
POWER SWITCH
L1
WATER
LEVEL
PROBES
CONTACTOR
WATER
THERMOSTAT
GND
4 L-LEVEL
BLU
YEL
LED
6 COMMON
5 H-LEVEL
RED
WHT
1 FILL
3 AC-2N
2 AC-1L
Purple
Wht
HALF
BREW
LIGHT
BREW
PUMP
Wht
Yel
Yel
Yel
BLEND
Wht
Yel Blue
NC
Blue
DELAY
TIMER
Gray
HALF BREW
SWITCH
Wht
Yel Red
NO
Red
STOP
NC
DUAL
TIMER
FE-N SERIES W/ DUAL TIMER
GND
Wht
L2
AIR AGITATOR PUMP
BREW
LIGHT
BREW
SWITCH
Purple
NO
Wht
L1

Related product manuals