EasyManua.ls Logo

Cecilware EFP40 - Wiring Diagram

Cecilware EFP40
16 pages
Print Icon
To Next Page IconTo Next Page
To Next Page IconTo Next Page
To Previous Page IconTo Previous Page
To Previous Page IconTo Previous Page
Loading...
Fryer Cecilware
®
11
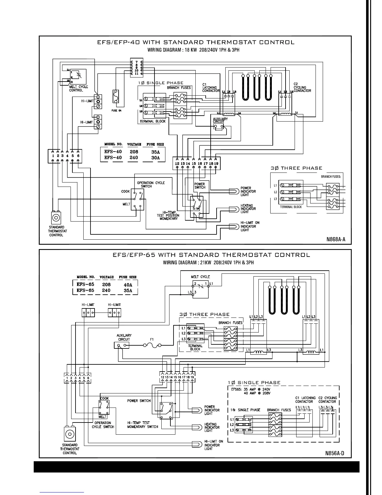
Wiring Diagram

Related product manuals