EasyManua.ls Logo

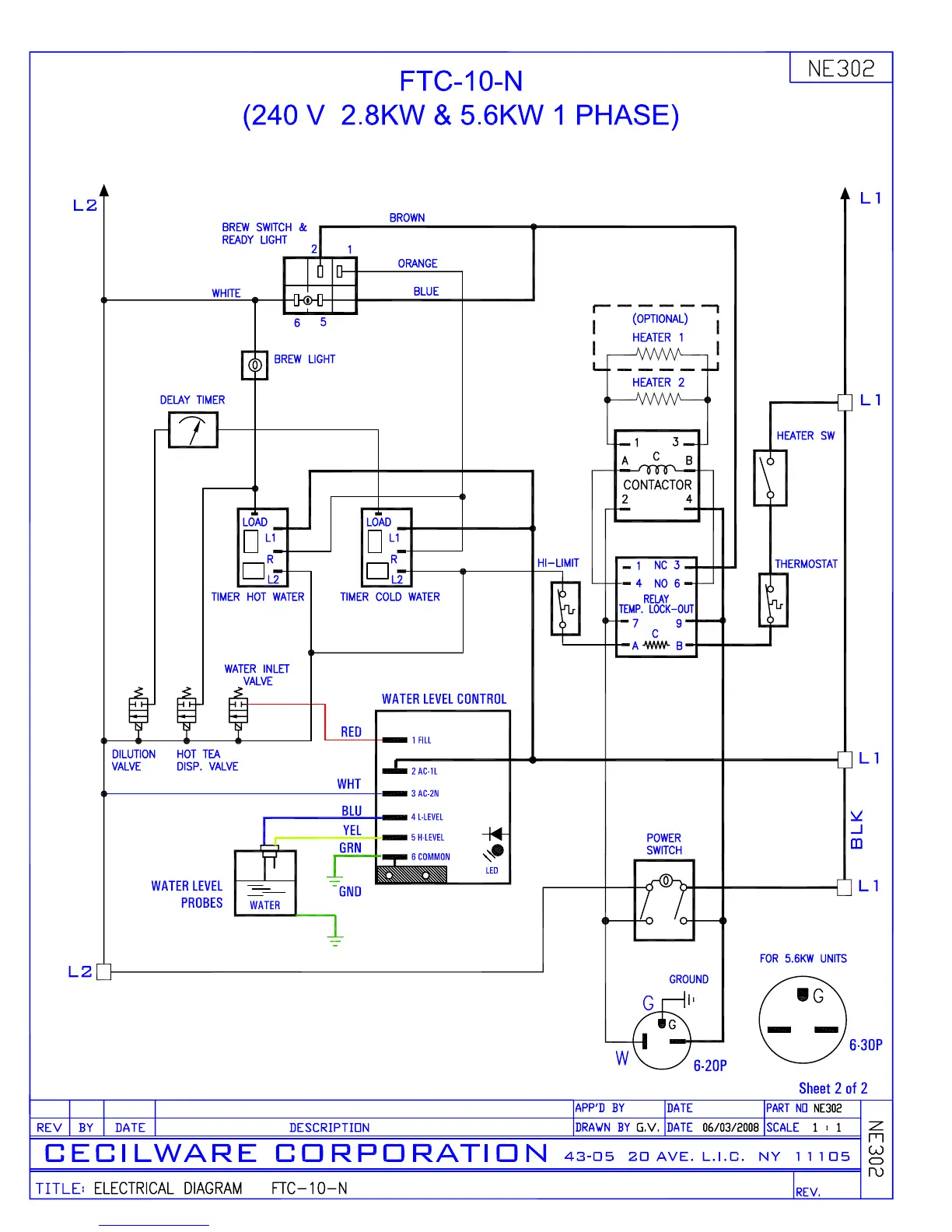
Cecilware FTC-3-N - ELECTRICAL DIAGRAM FOR FTC-10-N MODEL

Cecilware FTC-3-N
17 pages
Print Icon
To Previous Page IconTo Previous Page
To Previous Page IconTo Previous Page
Loading...