EasyManua.ls Logo

Cecilware ME10E-N - Page 10

Cecilware ME10E-N
10 pages
Print Icon
To Previous Page IconTo Previous Page
To Previous Page IconTo Previous Page
Loading...
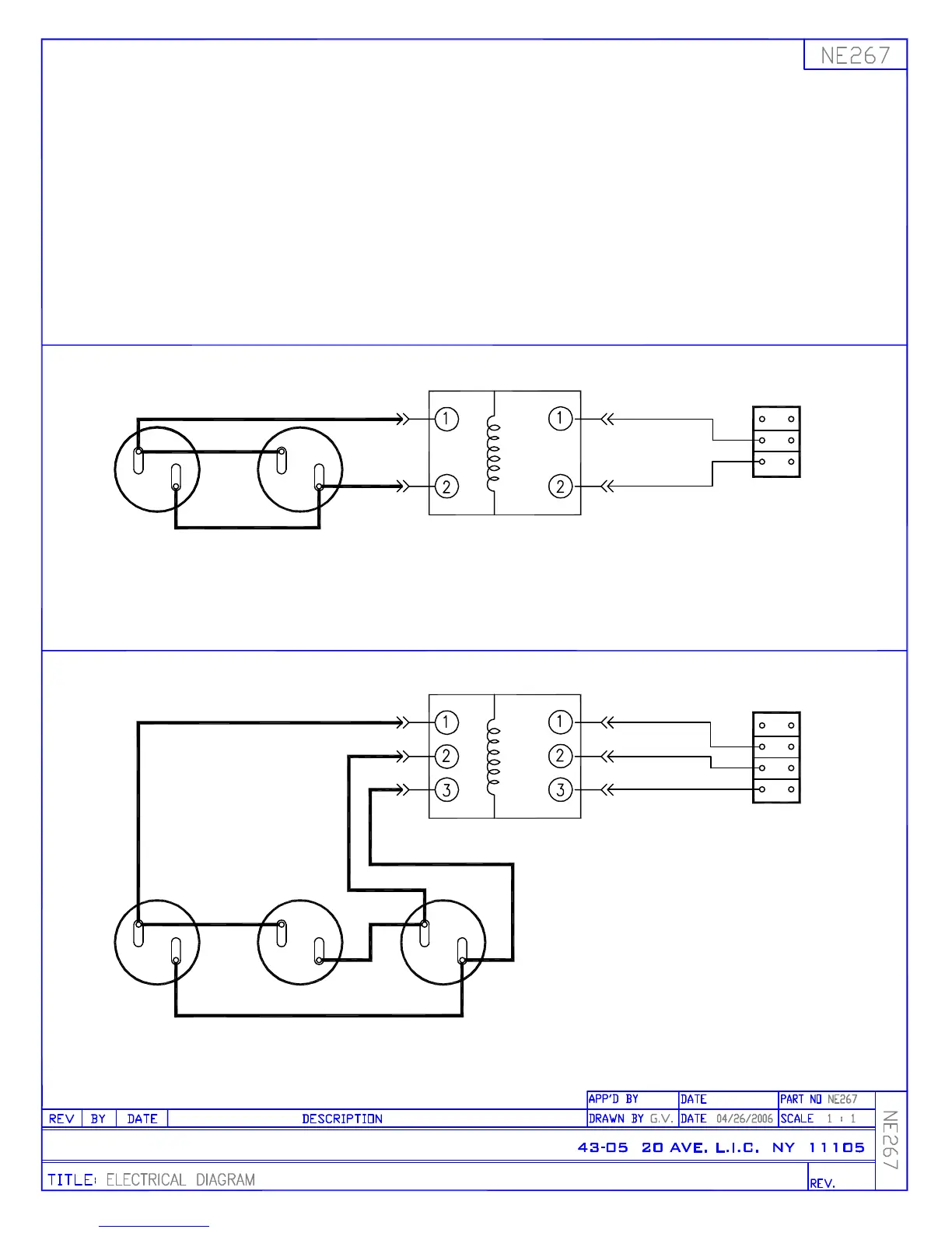
1 PHASE 240 VOLTS
G197A (2 x 3.5 KW)
TOTAL: 7 KW
3 PHASE 240 VOLTS
G197A (3 x 3.5 KW )
TOTAL: 10.5 KW
CONTACTOR
CONTACTOR
TERMINAL
BLOCK
L1
L2
N
TERMINAL
BLOCK
L1
L2
L3
N
CECILWARE CORPORATION
SHEET 4 of 4
ELECTRICAL DIAGRAM ME10E-N, ME15E-N
240 VOLTS
HEATERS HOOK-UP

Related product manuals