EasyManua.ls Logo

Cedar Ridge MTF30TBU - Electrical Wiring Diagram

Cedar Ridge MTF30TBU
32 pages
Print Icon
To Next Page IconTo Next Page
To Next Page IconTo Next Page
To Previous Page IconTo Previous Page
To Previous Page IconTo Previous Page
Loading...
www.usaprocom.com
200006-01B22
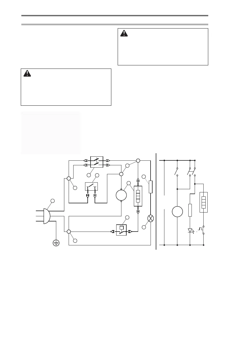
Figure 26 - Wiring Diagram
ELECTRICAL WIRING DIAGRAM
Any electrical re-wiring of this appliance must
be done by a qualied electrician. This wiring
must be done in accordance with local codes
and/or in Canada with the current CSA C22.1
Canadian Electrical Code, and for US instal-
lations, the National Electrical Code ANSI/
NFPA NO 70.
WARNING: If repairing or
replacing any electrical compo-
nent or wiring, the original wire
routing, color coding and secur-
ing locations must be followed.
CAUTION: Label all wires
prior to disconnection when
servicing controls. Wiring errors
can cause improper and danger-
ous operation.
Verify proper operation after servicing. If any
of the original wire as supplied with the appli-
ance must be replaced, it must be replaced
with a wire of at least a 105º C temperature
rating.
1. Power Supply Cord
2. Electrical Wire Connector
3. Rocker Switch 1
4. Rocker Switch 2
5. Motor/Heater
6. Temperature Limiter
7. Resistor
8. Heat Pilot Light
BLACK
BLACK
WHITE WHITE
WHITE
BLACK
WHITE
WHITE
YELLOW
BLACK BLACK
Resistor
Heater
Heater Pilot Light
Temperature Limiter
Rocker Switch 2
Rocker Switch 1
GREEN
BROWN ORANGE
RED
Motor
Motor
3
2
2
5
7
2
6
8
1
AC120V
60Hz
AC120V
60Hz
4

Related product manuals