EasyManua.ls Logo

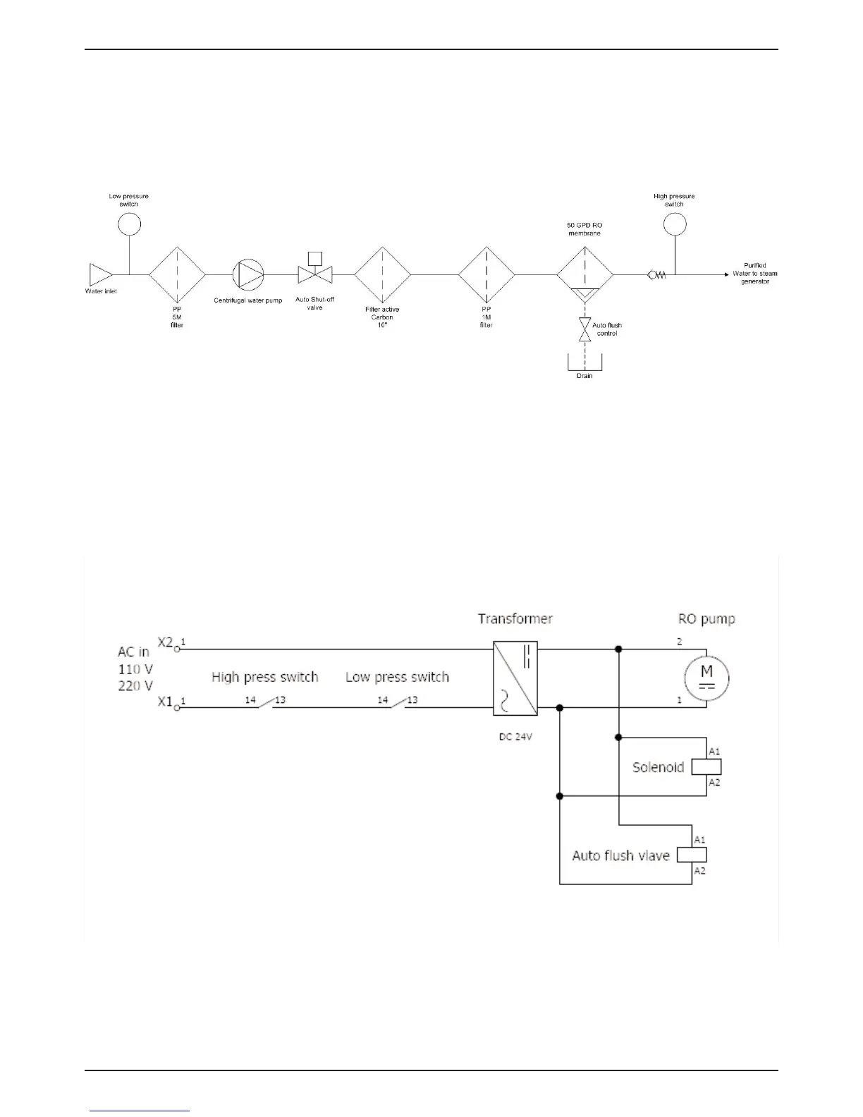
celitron TWE-12100 - System Diagrams; Block diagram of TWE-12100 RO system; Power supply of TWE-12100 RO system

celitron TWE-12100
10 pages
Print Icon
To Next Page IconTo Next Page
To Next Page IconTo Next Page
To Previous Page IconTo Previous Page
To Previous Page IconTo Previous Page
Loading...
RO manual version 1.0
Sting 11 B
CELITRON MEDICAL TECHNOLOGIES KFT
Copyright (C)
Block diagram of TWE-12100 RO system
Power supply of TWE-12100 RO system