EasyManua.ls Logo

Central Hydraulics 93033 - Assembly Drawing

Central Hydraulics 93033
10 pages
Print Icon
To Previous Page IconTo Previous Page
To Previous Page IconTo Previous Page
Loading...
Page 10SKU 93033 For technical questions, please call 1-800-444-3353.
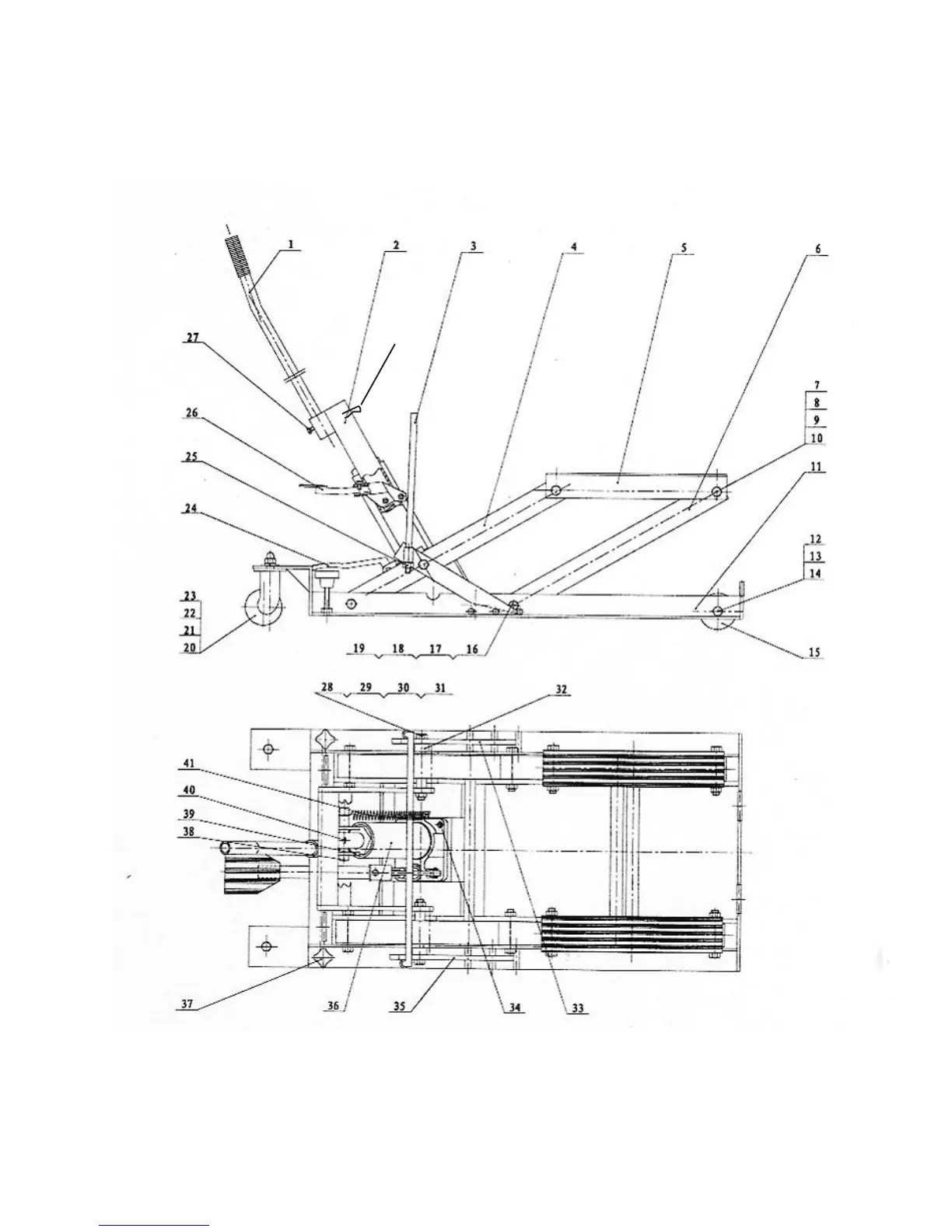
Assembly Drawing
42