EasyManua.ls Logo

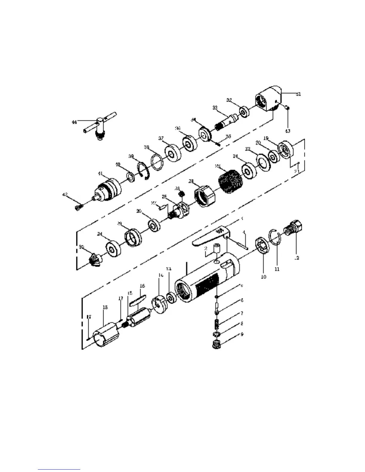
Central Pneumatic 2439 - Assembly Drawing

Default Icon
8 pages
Print Icon
To Next Page IconTo Next Page
To Next Page IconTo Next Page
To Previous Page IconTo Previous Page
To Previous Page IconTo Previous Page
Loading...
Page 7
SKU 2439
Assembly Drawing

Related product manuals