EasyManua.ls Logo

Centurion 004666-0 - Page 34

Default Icon
48 pages
Print Icon
To Next Page IconTo Next Page
To Next Page IconTo Next Page
To Previous Page IconTo Previous Page
To Previous Page IconTo Previous Page
Loading...
32 Generac
®
Power Systems, Inc.
1
112
8
11
0
1
33
91
84
88
87
86
89
85
90
89
74
80
83
81
7
9
11
102
99
92
1
01
11
3
112
105
1
07
1
08
103
111
141
1
09
12
5
12
3
96
95
14
3
1
30
114
7
5
7
8
77
7
6
99
11
8
8
97
121
124
124
11
9
122
12
5
1
37
12
0
127
12
6
11
5
11
6
1
36
1
38
32
142
2
9
1
34
1
39
1
35
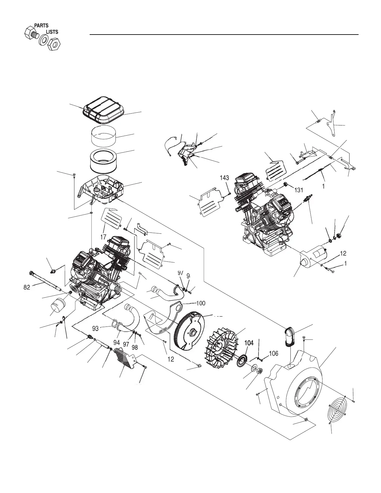
Section 8 — Exploded Views and Parts Lists
Centurion 11, 13 and 15 kW Air-cooled Generators
Engine – Drawing No. 0E8774-B Part 2

Table of Contents

Related product manuals