EasyManua.ls Logo

Chamberlain DH - 1 PH Schematic Diagram; C2 Wiring Conversion; B2 Wiring Conversion; Limit Switch Adjustment

Chamberlain DH
4 pages
Print Icon
To Next Page IconTo Next Page
To Next Page IconTo Next Page
To Previous Page IconTo Previous Page
To Previous Page IconTo Previous Page
Loading...
2
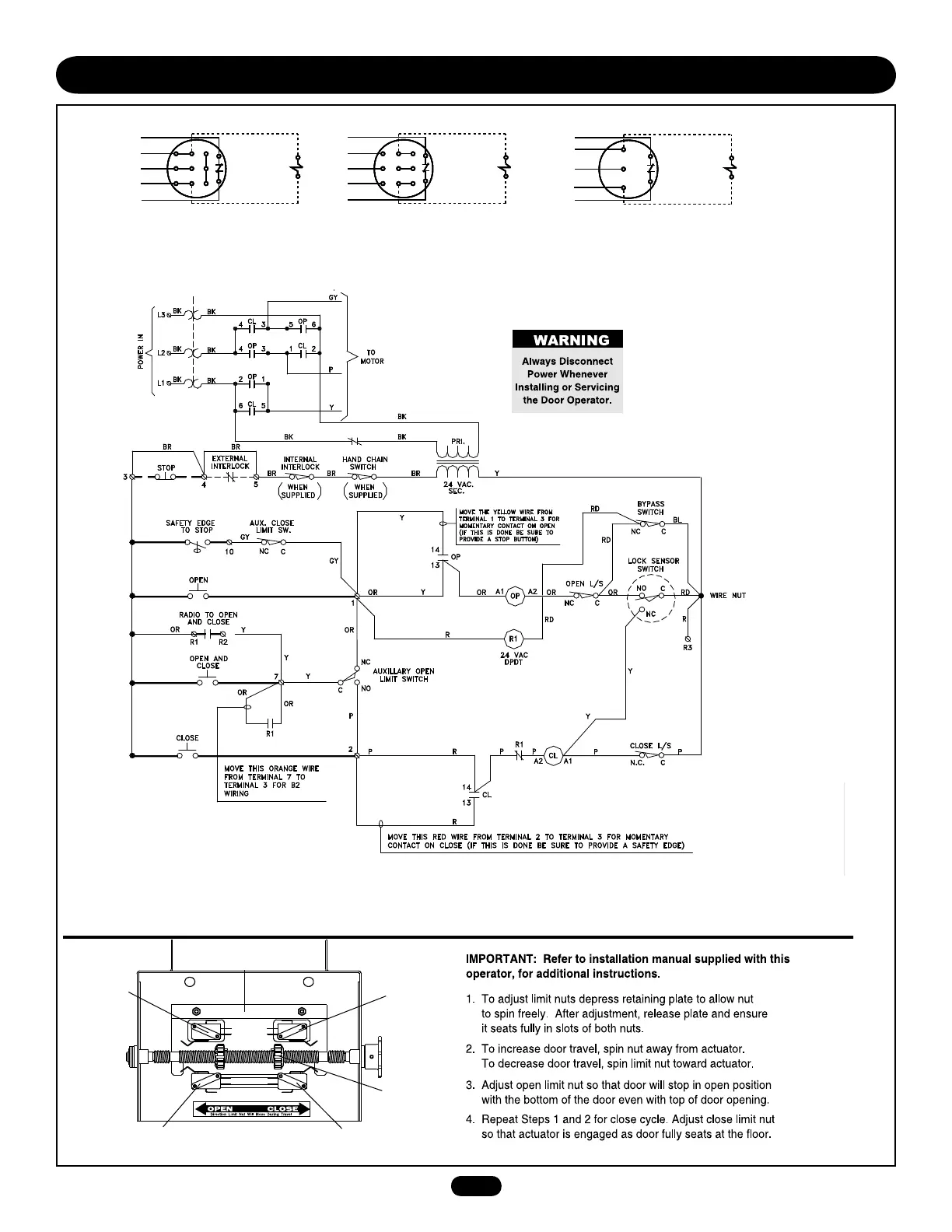
1PH SCHEMATIC DIAGRAM 1827-1
ELECTRICAL BOX
END VIEW
LIMIT
NUT
SAFETY LIMIT SW.
AUXILIARY CLOSE
CLOSE
LIMIT SW.
OPEN
LIMIT SW.
AUXILIARY OPEN
LIMIT SW.
DEPRESS
PLATE
OVERLOAD
(SEE NOTE 3)
MOTOR OVERLOAD
(SEE NOTE 3)
(SEE NOTE 2)
NOTES:
1) TO REVERSE MOTOR DIRECTION: INTERCHANGE PURPLE &
GRAY MOTOR LEADS AT CONTACTOR 1 & 3.
2) TRANSFORMER PRIMARY & RELAY VOLTAGE SAME AS LINE VOLTAGE.
3) THREE PHASE UNITS MAY BE EQUIPPED WITH AN INTERNAL PILOT DUTY
THERMAL OVERLOAD DEVICE, OR AN EXTERNAL LINE MONITORING DEVICE.
(WHEN PRESENT)
230V BRAKE
2
3
YEL
PUR
GY
1
6
9
BL/BK
BL/BK
4
7
(WHEN PRESENT)
230V BRAKE
2
3
YEL
PUR
GY
1
6
9
BL/BK
BL/BK
4
7
85
208/230 VOLT - 3 PHASE
MOTOR CONNECTION
460 VOLT - 3 PHASE
MOTOR CONNECTION
(WHEN PRESENT)
575V BRAKE
3
BL/BK
BL/BK
1
2
YEL
PUR
GY
575 VOLT - 3 PHASE
MOTOR CONNECTION
(WHEN PRESENT)
230V BRAKE
2
3
YEL
PUR
GY
1
6
9
BL/BK
BL/BK
4
7
(WHEN PRESENT)
230V BRAKE
2
3
YEL
PUR
GY
1
6
9
BL/BK
BL/BK
4
7
85
MOTOR CONNECTION
460 VOLT - 3 PHASE
MOTOR CONNECTION
(WHEN PRESENT)
575V BRAKE
3
BL/BK
BL/BK
1
2
YEL
PUR
GY
575 VOLT - 3 PHASE
MOTOR CONNECTION
(WHEN PRESENT)
230V BRAKE
2
3
YEL
PUR
GY
1
6
9
BL/BK
BL/BK
4
7
(WHEN PRESENT)
230V BRAKE
2
3
YEL
PUR
GY
1
6
9
BL/BK
BL/BK
4
7
85
MOTOR CONNECTION
460 VOLT - 3 PHASE
MOTOR CONNECTION
(WHEN PRESENT)
575V BRAKE
3
BL/BK
BL/BK
1
2
YEL
PUR
GY
575 VOLT - 3 PHASE
MOTOR CONNECTION
(WHEN PRESENT)
230V BRAKE
2
3
YEL
PUR
GY
1
6
9
BL/BK
BL/BK
4
7
(WHEN PRESENT)
230V BRAKE
2
3
YEL
PUR
GY
1
6
9
BL/BK
BL/BK
4
7
85
MOTOR CONNECTION
460 VOLT - 3 PHASE
MOTOR CONNECTION
(WHEN PRESENT)
575V BRAKE
3
BL/BK
BL/BK
1
2
YEL
PUR
GY
575 VOLT - 3 PHASE
MOTOR CONNECTION
OVERLOAD
(SEE NOTE 3)
*
OVERLOAD
(SEE NOTE 3)
*
OVERLOAD
(SEE NOTE 3)
*
MOTOR O/L LEAD COLOR BROWN
*
BK
BK
85858585
BK
BK
BK
BK
C2 WIRING CONVERSION
1. Move Orange wire from terminal 7 to terminal 3.
2. Move Yellow wire from terminal 1 to terminal 3.
NOTE: Be sure to supply a STOP button after conversion.
B2 WIRING CONVERSION
1. Move Orange wire from terminal 7 to terminal 3.
2. Move Yellow wire from terminal 1 to terminal 3.
3. Move Red wire from terminal 2 to terminal 3.
NOTE: Be sure to supply a STOP button and safety edge
after conversion.

Other manuals for Chamberlain DH

Related product manuals