EasyManua.ls Logo

Chaparral 2012 SSi - Warranty; Nautical Glossary; Wiring Schem Tics

Default Icon
113 pages
Print Icon
To Next Page IconTo Next Page
To Next Page IconTo Next Page
To Previous Page IconTo Previous Page
To Previous Page IconTo Previous Page
Loading...
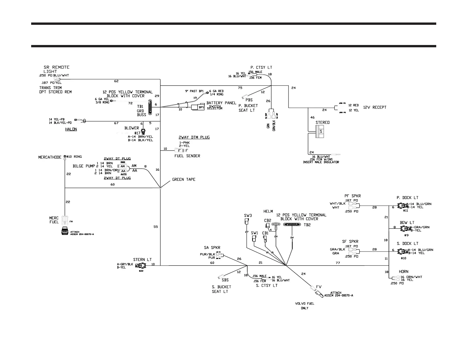
WIRING SCHEMATICS 12
12-1
196, 206, 216 SSI

Related product manuals