EasyManua.ls Logo

Chery A5 2007 - Radio System

Chery A5 2007
25 pages
Print Icon
To Next Page IconTo Next Page
To Next Page IconTo Next Page
To Previous Page IconTo Previous Page
To Previous Page IconTo Previous Page
Loading...
$
12
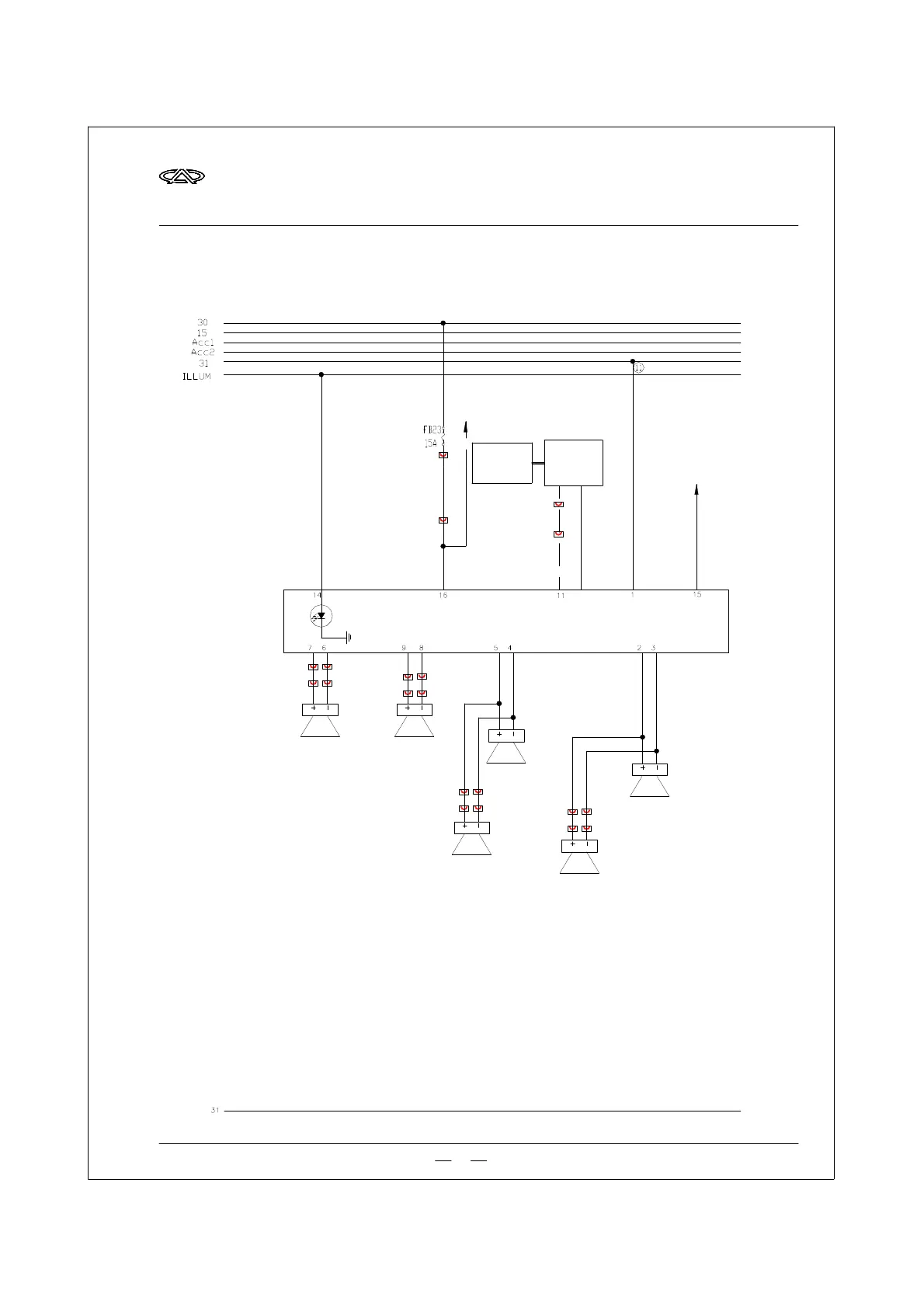
&+(5<$&,5&8,7',$*5$0
5)KRUQ
/)KRUQ
/)KLJKKRUQ
5)KLJKKRUQ
55KRUQ
)XVHER[*
5DGLRV\VWHP
/5KRUQ
0VJQLILHU
5HDU
ZLQGRZVKLHOG
DWWHQH
/)
,3&
,3$

5DGLRV\VWHP
,3&
/)
,3&
5)
,3&
5)
,3&
)5
,3&
)5
,3&
)5
)5
,3&
,3'
)5
7RGLDJQRVWLF
LQWHUIDFH
7R,68IURQW33
$WWHQH

Related product manuals