EasyManua.ls Logo

Chery Tiggo 5 T21 - Page 165

Chery Tiggo 5 T21
253 pages
Print Icon
To Next Page IconTo Next Page
To Next Page IconTo Next Page
To Previous Page IconTo Previous Page
To Previous Page IconTo Previous Page
Loading...
Training Center of After-Sales Department Chery International
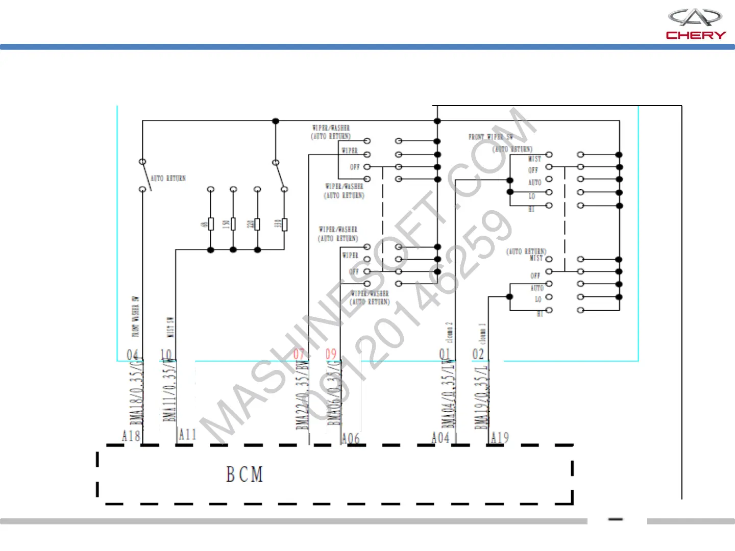
11. Wiper system
165
1. System elements introduction
Circuit diagram of front wiper
Front washer switch input
Wiper sensitive input
Rear wiper switch input
Rear washer switch input
Front wiper input 2
Front wiper input 1
MASHINESOFT.COM
09120146259

Related product manuals