EasyManua.ls Logo

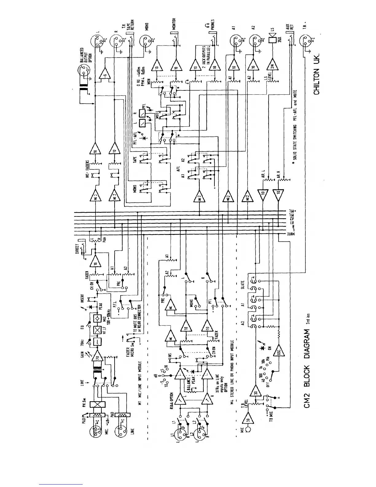
Chilton CM2-4 - Page 11

Chilton CM2-4
26 pages
Print Icon
To Next Page IconTo Next Page
To Next Page IconTo Next Page
To Previous Page IconTo Previous Page
To Previous Page IconTo Previous Page
Loading...
Mik-El / Chilton Page 11 of 26