EasyManua.ls Logo

Cinetech Albatross Dolly - Page 22

Default Icon
34 pages
Print Icon
To Next Page IconTo Next Page
To Next Page IconTo Next Page
To Previous Page IconTo Previous Page
To Previous Page IconTo Previous Page
Loading...
pag. 22
User Guide
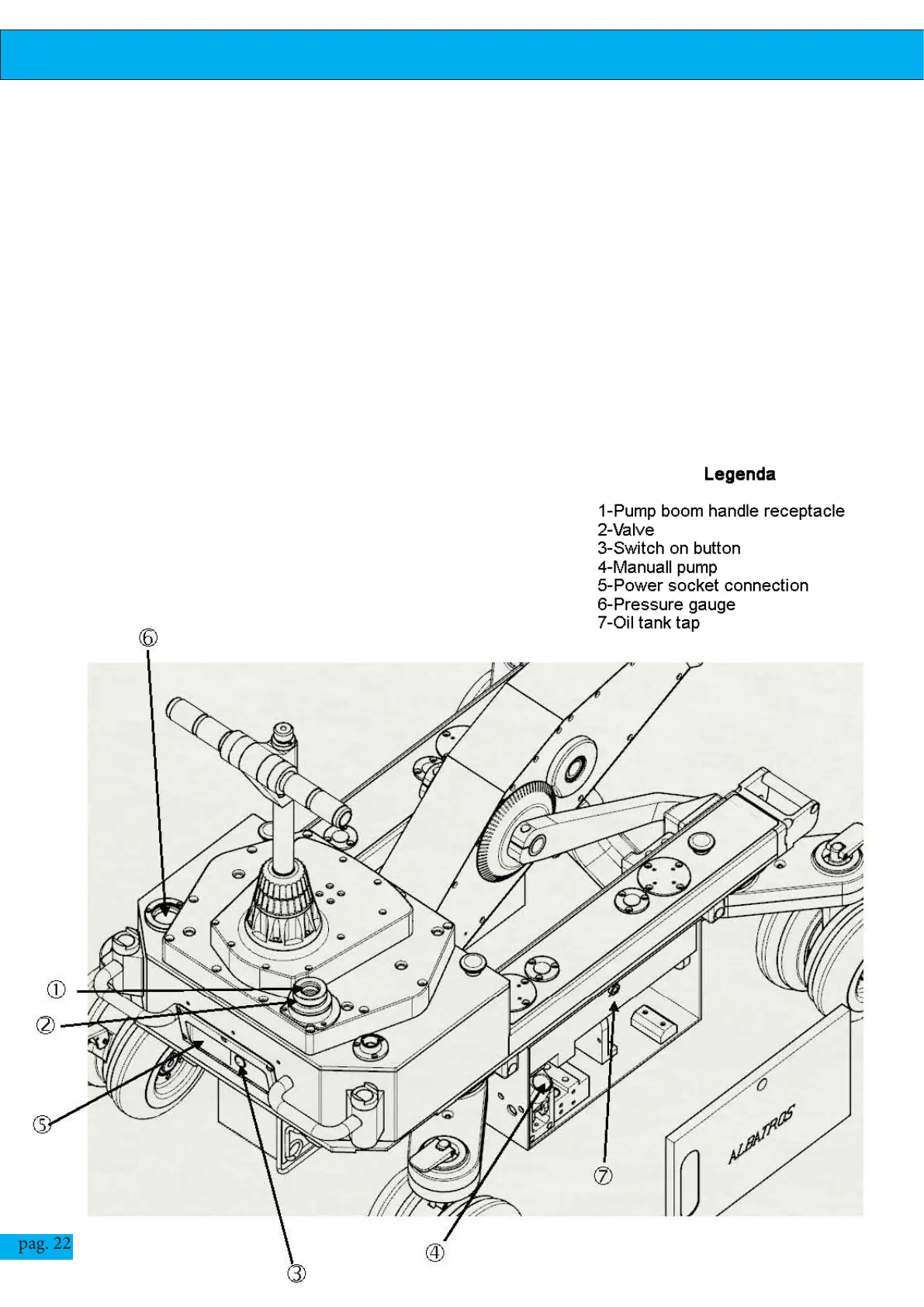
To start working with the dolly you need to do the following operations:
Charge the dolly
Insert the operating rod into the valve receptical -2-
Turn the rod counterclockwise to raise the arm and clockwise to lower it.
Each 180 bar charge allows 6/7 rises.
Now the dolly is ready to work