EasyManua.ls Logo

Cisco 8742HDC - Page 16

Cisco 8742HDC
24 pages
Print Icon
To Next Page IconTo Next Page
To Next Page IconTo Next Page
To Previous Page IconTo Previous Page
To Previous Page IconTo Previous Page
Loading...
16 TP-00116-01
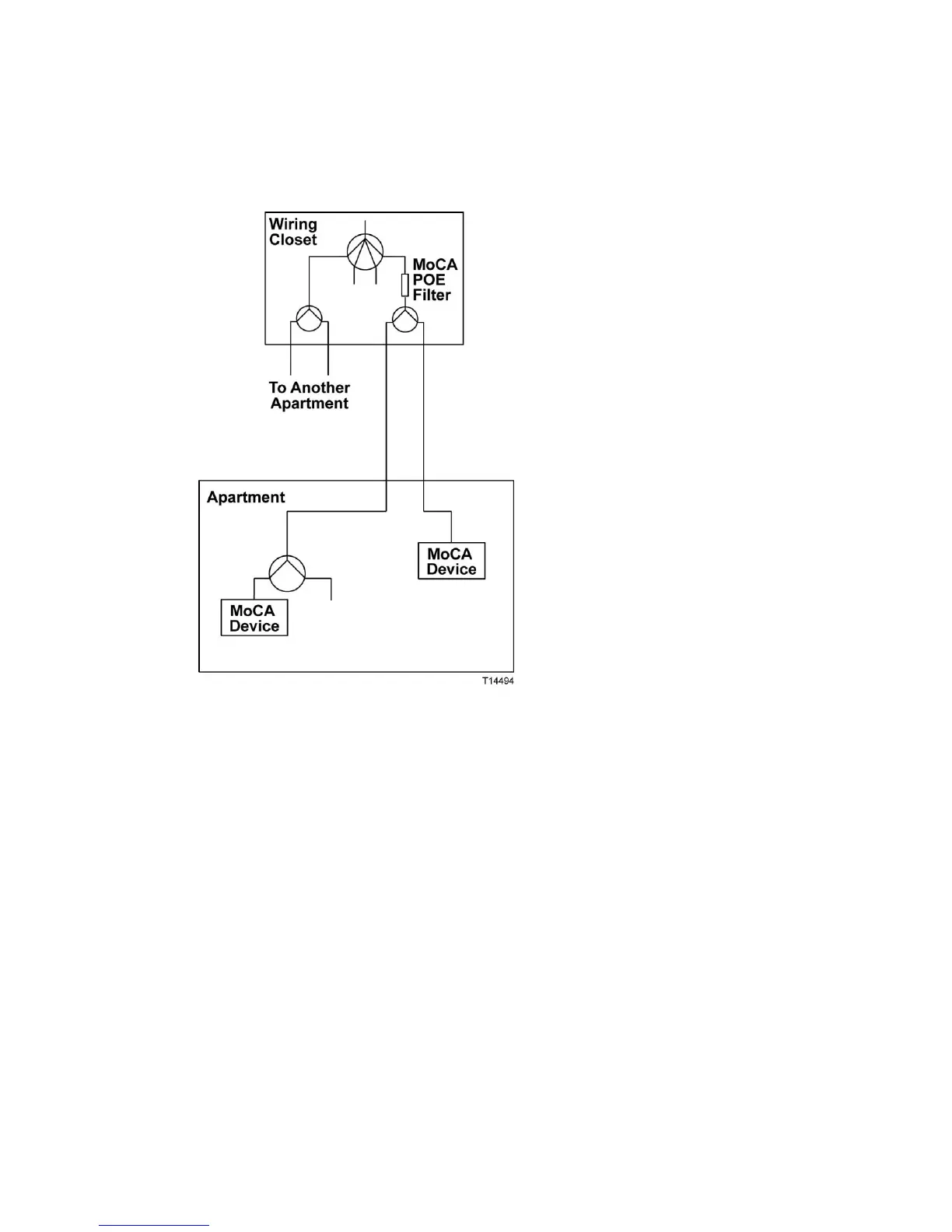
Installation Problems
Solution
The solution shown in the diagram below implements the same number of splits in
such a way as to allow for installation of the MoCA POE filter. With this solution,
each MoCA network is confined to its associated apartment.

Related product manuals