EasyManua.ls Logo

CLIVET WSAN-YMi 91 - Home Pages and Type 1 System Diagram

CLIVET WSAN-YMi 91
128 pages
Print Icon
To Next Page IconTo Next Page
To Next Page IconTo Next Page
To Previous Page IconTo Previous Page
To Previous Page IconTo Previous Page
Loading...
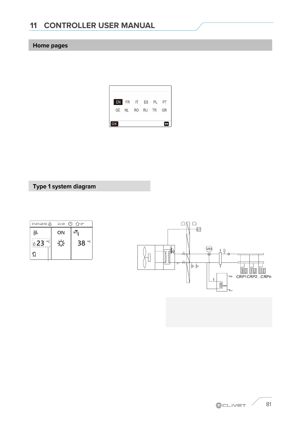
When you turn on the wired controller, the system will enter the language selection page, You can choose your preferred language,
then press OK to enter the home pages.
If you don't press OK in 60 seconds, the system will enter in the currently selected language.
Depending on the system layout, the following home pages may be possible:
Desired ambient temperature
Desired water flow temperature
Actual temperature of the domestic hot water tank (DHW)
The system includes the floor heating and domestic hot water function.
Type 1 home page appears
23°C= desired water flow temperature
SERVICEMAN menu
Temp type setting
Temp. Water flow YES
Temp. Environment NO

Related product manuals