EasyManua.ls Logo

Coaster 640 SUN DECK - Page 21

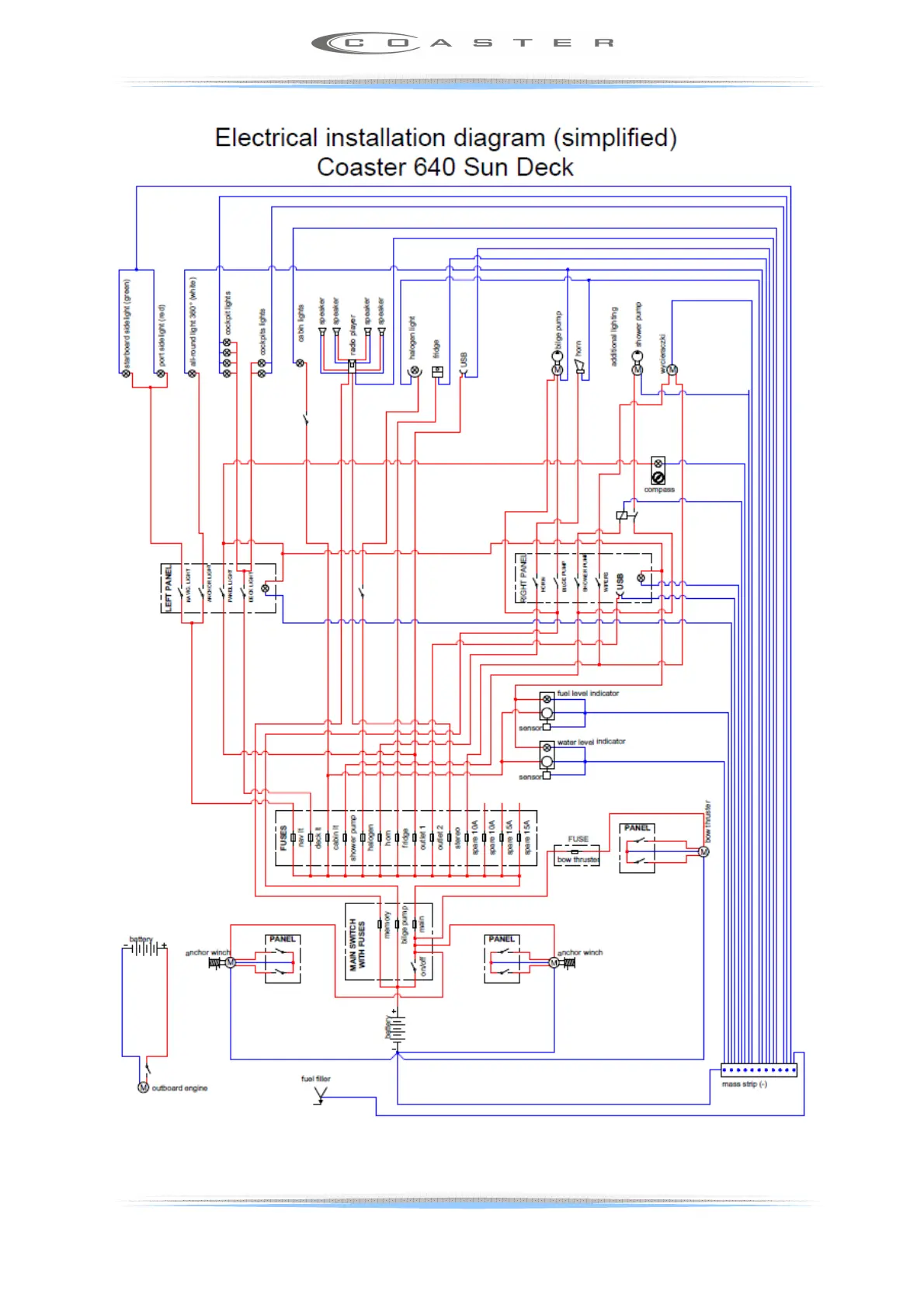
Coaster 640 SUN DECK
39 pages
Print Icon
To Next Page IconTo Next Page
To Next Page IconTo Next Page
To Previous Page IconTo Previous Page
To Previous Page IconTo Previous Page
Loading...
20