EasyManua.ls Logo

Coates CE SERIES - Model CE Three Phase Wiring Diagrams (12-18 kW); Model CE Three Phase Wiring Diagram (18 kW)

Coates CE SERIES
16 pages
Print Icon
To Next Page IconTo Next Page
To Next Page IconTo Next Page
To Previous Page IconTo Previous Page
To Previous Page IconTo Previous Page
Loading...
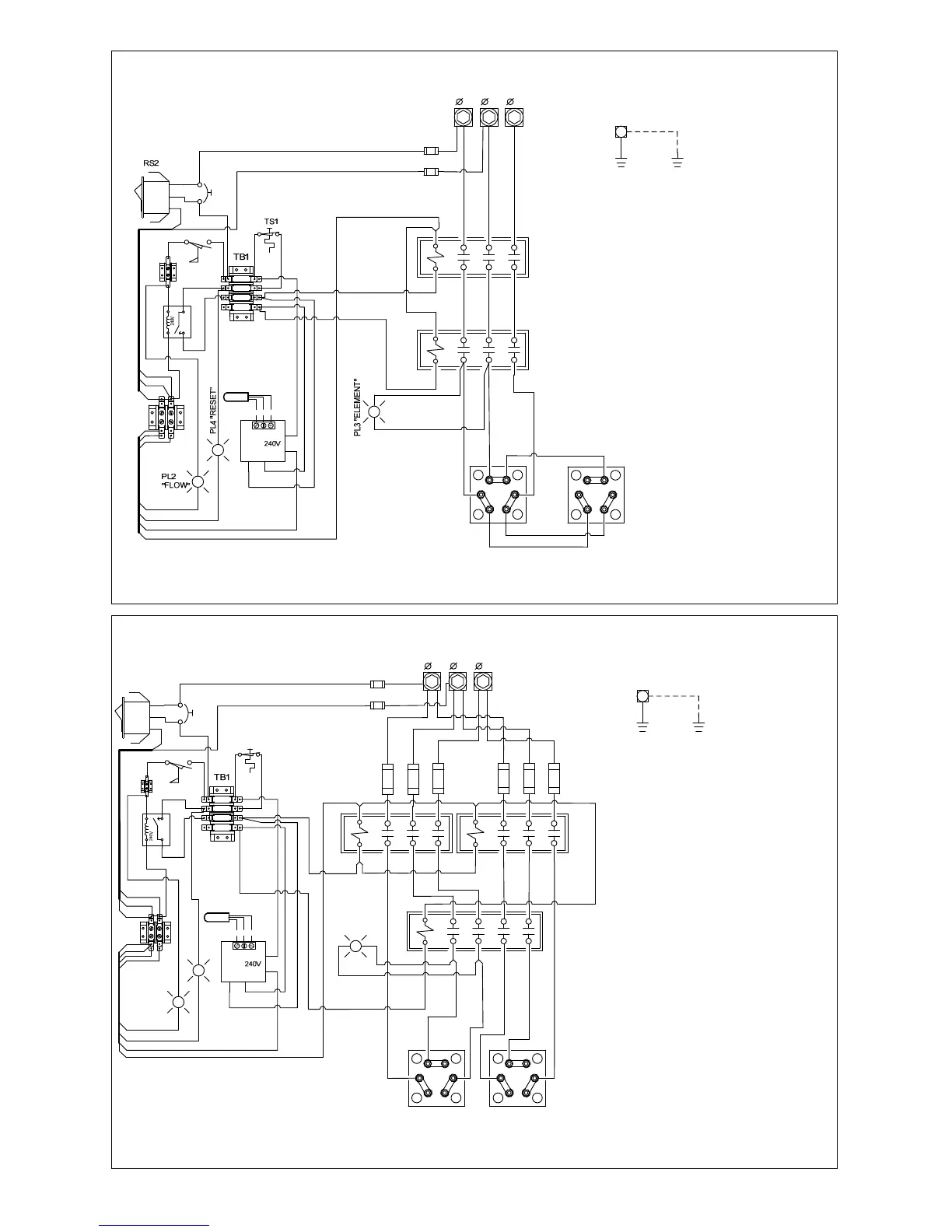
TB1 FOR REMOTE TEMPERATURE CONTROL (IF USED).
GROUND
POOL
GROUND
ENCLOSURE
TERMINAL
HEATER GROUND
SEE INSTRUCTION MANUAL FOR COMPONENT
THREE PHASE
208V – 18kW
2.
WW
RB
RB
IDENTIFICATION.
3.
ALL WIRING TO BE 105°C INSULATED, MINIMUM.
CONTROL CIRCUIT WIRING; 14 AWG.
POWER CIRCUIT WIRING; AS NOTED.
B = BLACK
R = RED
LEGEND;
4.
W = WHITE
#8
HEATING ELEMENTS
PL1
"ELEMENT"
MODEL CE
F5
F5
BR
BR
WW
3B18F
1.
C
BA
#8 #8
#8#8 #8
CR7
COIL
CR7
COIL
CR8
COIL
F1 F1
F1
F1 F1 F1
#8
#8 #8
#8 #8 #8
#8
#2
BRASS
#1
COPPER
#3
ALUMINUM
1
234
NOCOM
K8
FLOW
RS2
TS1
PL4 "RESET”
PL2
"FLOW"
J4
J3
TS3
J1
J2
AC
AC
CNO
J9
B
W R
TEMP
ISOLATED
BUS
TB1 FOR REMOTE TEMPERATURE CONTROL (IF USED).
CR7
CR7
GROUND
POOL
GROUND
ENCLOSURE
TERMINAL
HEATER GROUND
SEE INSTRUCTION MANUAL FOR COMPONENT
THREE PHASE
208V – 12 & 15kW
240V – 12, 15 & 18kW
2.
COIL COIL
WW
RB
RB
IDENTIFICATION.
3.
ALL WIRING TO BE 105°C INSULATED, MINIMUM.
CONTROL CIRCUIT WIRING; 14 AWG.
POWER CIRCUIT WIRING; AS NOTED.
B = BLACK
R = RED
LEGEND;4.
W = WHITE
#8
HEATING ELEMENTS
MODEL CE
F5
F5
BR
BR
WW
#10
3BC1218F
1.
C
BA
#8 #8
#10
#10
#8
#8 #8
#8
#8 #8
#2
BRASS
#1
COPPER
#3
ALUMINUM
1
234
NO COM
K8
FLOW
J4
J3
TS3
J1
J2
AC
AC
CNO
J9
B
W R
TEMP
ISOLATED
BUS
Page 11

Related product manuals