EasyManua.ls Logo

Coates CE SERIES - Model CPH Three Phase Wiring Diagrams (24-30 kW); Model PHS Three Phase Wiring Diagrams (36-45 kW)

Coates CE SERIES
16 pages
Print Icon
To Next Page IconTo Next Page
To Next Page IconTo Next Page
To Previous Page IconTo Previous Page
To Previous Page IconTo Previous Page
Loading...
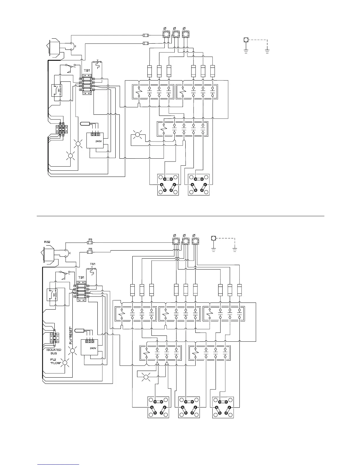
TB1 FOR REMOTE TEMPERATURE
CONTROL (IF USED).
GROUND
POOL
GROUND
ENCLOSURE
TERMINAL
HEATER GROUND
SEE INSTRUCTION MANUAL FOR COMPONENT
THREE PHASE
208V – 36 & 45kW
240V – 36 & 45kW
2.
WW
RB
RB
IDENTIFICATION.
3.
ALL WIRING TO BE 105°C INSULATED, MINIMUM.
CONTROL CIRCUIT WIRING; 14 AWG.
POWER CIRCUIT WIRING; AS NOTED.
B = BLACK
R = RED
LEGEND;4.
W = WHITE
#8
HEATING ELEMENTS
PL1 "ELEMENT"
MODEL PHS
BR
BR
WW
3BC3645G
1.
C
BA
#8
#8
CR7
COIL
CR7
COIL
F1 F1
F1
F1 F1 F1
#8 #8
#8 #8 #8
#8
WW
RB
RB
CR7
COIL
F1 F1
F1
CR7
COIL
CR7
COIL
#8 #8
#8
#8 #8
#8
#8 #8
#8
#2
BRASS
#1
COPPER
#3
ALUMINUM
1
23
4
NO COM
K8
FLOW
J4J3
TS3
J1
J2
AC
AC
CNO
J9
B
W R
TEMP
TB1 FOR REMOTE TEMPERATURE CONTROL (IF USED).
GROUND
POOL
GROUND
ENCLOSURE
TERMINAL
HEATER GROUND
SEE INSTRUCTION MANUAL FOR COMPONENT
THREE PHASE
208V – 24 & 30kW
240V – 24 & 30kW
2.
WW
RB
RB
IDENTIFICATION.
3.
ALL WIRING TO BE 105°C INSULATED, MINIMUM.
CONTROL CIRCUIT WIRING; 14 AWG.
POWER CIRCUIT WIRING; AS NOTED.
B = BLACK
R = RED
LEGEND;
4.
W = WHITE
#8
HEATING ELEMENTS
PL1
"ELEMENT"
MODEL CPH
F5
F5
BR
BR
WW
3BC2430G
1.
C
BA
#8 #8
#8#8 #8
CR7
COIL
CR7
COIL
CR8
COIL
F1 F1
F1
F1 F1 F1
#8
#8 #8
#8 #8 #8
#8
#2
BRASS
#1
COPPER
#3
ALUMINUM
1
234
NO COM
K8
FLOW
RS2
TS1
PL4 "RESET”
PL2
"FLOW"
J4
J3
TS3
J1
J2
AC
AC
CNO
J9
B
W R
TEMP
ISOLATED
BUS
Page 12

Related product manuals