EasyManua.ls Logo

Coates CE SERIES - Model PHS Three Phase Wiring Diagrams (54-57 kW); Model CE Three Phase Wiring Diagram (480 V, 12-18 kW)

Coates CE SERIES
16 pages
Print Icon
To Next Page IconTo Next Page
To Next Page IconTo Next Page
To Previous Page IconTo Previous Page
To Previous Page IconTo Previous Page
Loading...
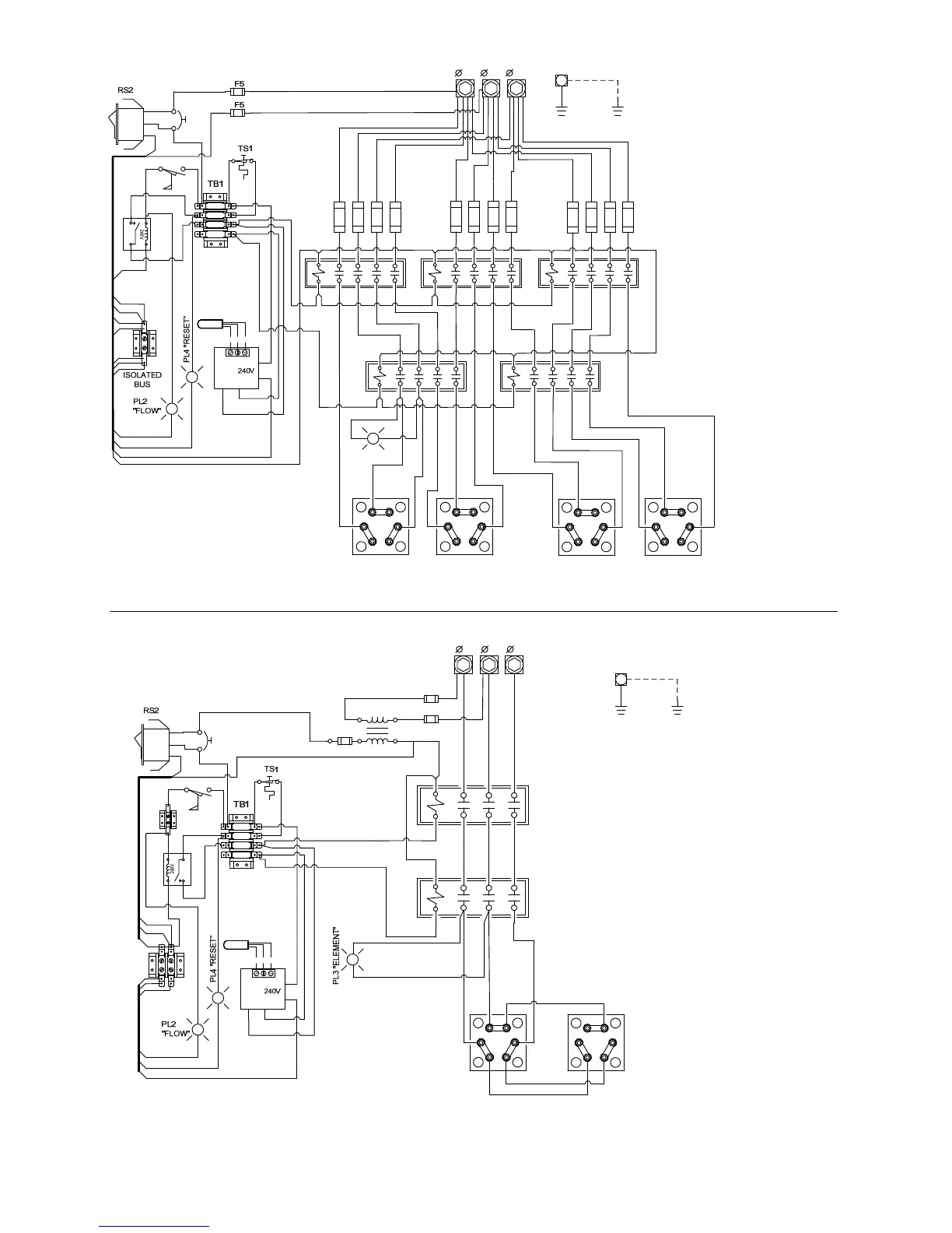
TB1 FOR REMOTE TEMPERATURE CONTROL (IF USED).
CR7
CR7
GROUND
POOL
GROUND
ENCLOSURE
TERMINAL
HEATER GROUND
SEE INSTRUCTION MANUAL FOR COMPONENT
THREE PHASE
480V – 12, 15 & 18kW
2.
COIL COIL
WW
RB
RB
IDENTIFICATION.
3.
ALL WIRING TO BE 105°C INSULATED, MINIMUM.
CONTROL CIRCUIT WIRING; 14 AWG.
POWER CIRCUIT WIRING; AS NOTED.
B = BLACK
R = RED
LEGEND;4.
W = WHITE
#8
HEATING ELEMENTS
MODEL CE
F5
F5
BR
BR
WW
#10
3J1218J
1.
C
BA
#8 #8
#10
#10
#8
#8 #8
#8
#8 #8
X3 X1
240V
T5
F6
XF
#2
BRASS
#1
COPPER
#3
ALUMINUM
1
234
NO COM
K8
FLOW
J4
J3
TS3
J1
J2
AC
AC
CNO
J9
B
W R
TEMP
ISOLATED
BUS
TB1 FOR REMOTE TEMPERATURE
CONTROL (IF USED).
GROUND
POOL
GROUND
ENCLOSURE
TERMINAL
HEATER GROUND
SEE INSTRUCTION MANUAL FOR COMPONENT
THREE PHASE
208V – 54 & 57kW
240V – 54 & 57kW
2.
WW
RB
RB
IDENTIFICATION.
3.
ALL WIRING TO BE 105°C INSULATED, MINIMUM.
CONTROL CIRCUIT WIRING; 14 AWG.
POWER CIRCUIT WIRING; AS NOTED.
B = BLACK
R = RED
LEGEND;4.
W = WHITE
#8
HEATING ELEMENTS
PL1 "ELEMENT"
MODEL PHS
BR
BR
WW
3BC5457H
1.
C
BA
#8
#8
F1
F1
F1
F1 F1
F1
#8 #8 #8
#8 #8
#8
WW
RB
RB
F1 F1
F1
#8
#8 #8
#8 #8 #8#8 #8 #8
CR8
COIL
WW
RB
RB
F1 F1
F1
CR8
COIL
CR8
COIL
CR8
COIL
CR8
COIL
#2
BRASS
#1
COPPER
#3
ALUMINUM
1
23
4
NO COM
K8
FLOW
J4
J3
TS3
J1
J2
AC
AC
CNO
J9
B
W R
TEMP
Page 13

Related product manuals